EasyManua.ls Logo

Marantz SR4001 - Page 41

Marantz SR4001
106 pages
Print Icon
To Next Page IconTo Next Page
To Next Page IconTo Next Page
To Previous Page IconTo Previous Page
To Previous Page IconTo Previous Page
Loading...
61
㪧㪩㪜㪣㪠㪤㪠㪥㪘㪩㪰
Lout
REC
Lch
Rout
Input
ATT
Out L
for
ADC
REC
Input selector
AGND
Volume
Out R
for
ADC
Rch
AVCC
Multi
Rin
Multi
Lin
3
4
5
6
7
8
9
1
2
Tone
Rch Tone
Bass&
Treble
Lch Tone
10
11
Input selector
3
4
5
6
7
8
9
1
2
10
11
SLout
Multi
SLin
Multi
SRin
Cout
SWout
Multi
Cin
Multi
SWin
SBLout
SBRout
Multi
SBLin
Multi
SBRin
AVEE
SUB
SUB
MCU I/F
CLOCK DATA
SRout
Volume
Volume
Volume
Volume
Volume
Volume
Volume
Bass&
Treble
Volume
Volume
Input
ATT
Volume
Volume
mono
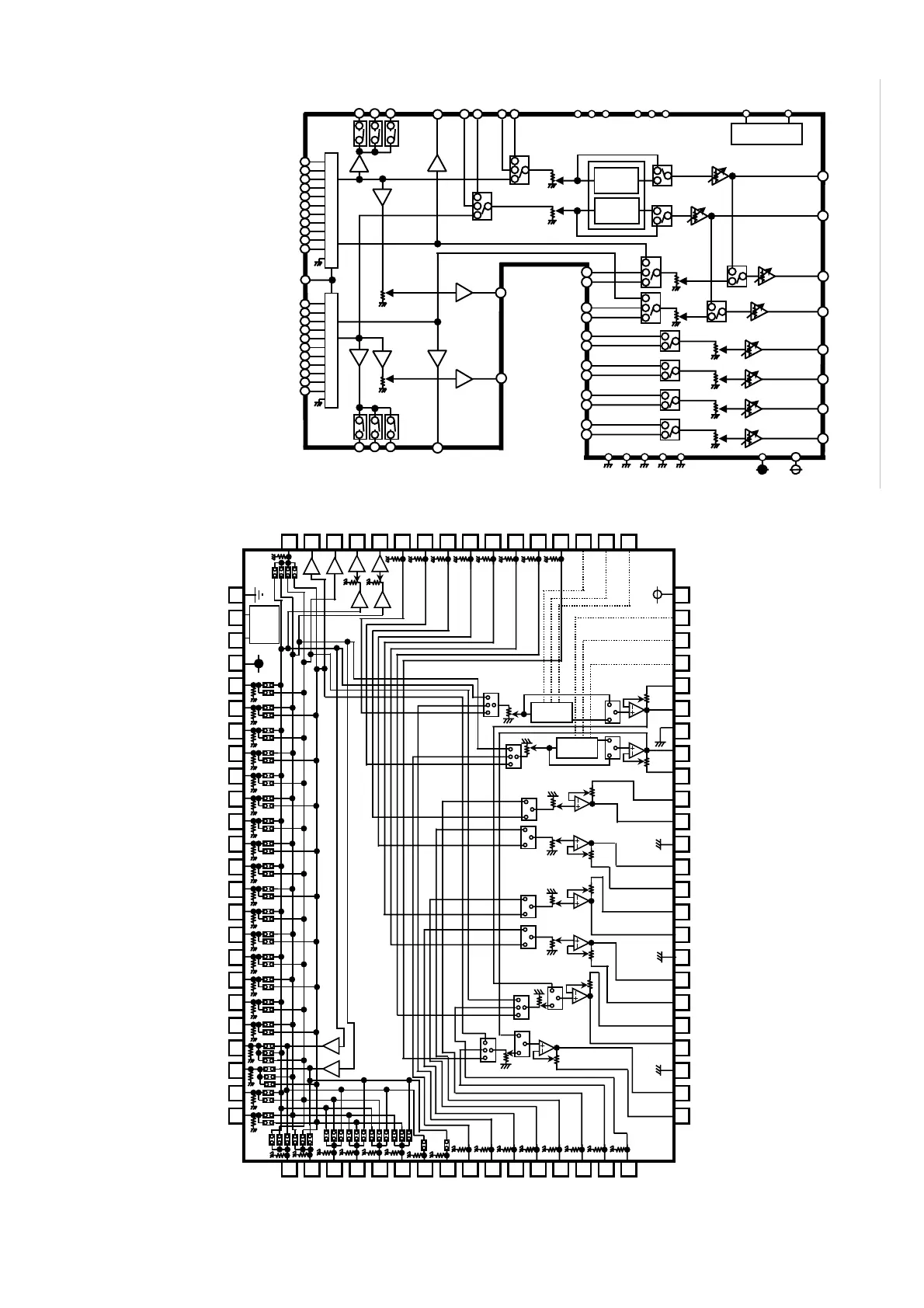
IC17 : R2S15205FP
㪧㪩㪜㪣㪠㪤㪠㪥㪘㪩㪰
AGND
5-C
AGND
3-C
AGND
1-C
CLOCK
AVCC
INLB/RECL2
I
NRB/RECR2
N
R11/RECR5
I
NL10/RECL4
RECR3
I
NL11/RECL5
FLIN1
RECL3
CIN1
FRIN1
SLIN1
SWIN1
ADCL
ADCR
FLIN2
FRIN2
SLIN2
SRIN2
CIN2
SWIN2
SBLIN2
SBRIN
2
BASSR
2
TRER
BASSR
1
TREL
BASSL1
BASSL2
FLOUT
6-C
FLC
FROUT
AGND
FRC
DATA
SBLIN1
SRIN1
SBRIN1
1-OUT (SBL OUT)
DGND
2-OUT (SBR OUT)
3-OUT (C OUT)
2-C
4-OUT (SW OUT)
5-OUT (SL OUT)
4-C
6-OUT (SR OUT)
INL5
INL1
INR1
INL2
INR2
INL3
INR3
INL4
INR4
INR5
INL6
INR6
INL7
INR7
INL8
INR8
N
LA/RECL1
N
RA/RECR1
INL9
INR9
AVEE
SUBR
SUBL
MONO
N
R10/RECR4
65 66 67 68 69 70 71 72 73 74 75 76 77 78 79 80
60
59
58
57
56
55
54
53
52
51
50
49
48
47
46
45
44
43
42
41
64
63
62
61
5
6
7
8
9
10
11
12
13
14
15
16
17
18
19
20
21
22
23
24
1
2
3
4
40 39 38 37 36 35 34 33 32 31 30 29 28 27 26 25
AVCC
MCU
I/F
MAIN
SUB
REC
ATT
0/-6/-12/-18dB
Bass/ Treble
-14~+14dB
(2dB step)
+16~-95dB,
-f(1dBstep)
+16~-95dB,
-f(1dBstep)
+16~-95dB,
-f(1dBstep)
+16~-95dB,
-f(1dBstep)
+16~-95dB,
-f(1dBstep)
+16~-95dB,
-f(1dBstep)
Tone
+16~0dB
(1dBstep)
Tone
Bass/ Treble
-14~+14dB
(2dB step)
0~-95dB,
-f
(1dBstep)
+16~0dB
(1dBstep)
0~-95dB,
-f
(1dBstep)

Other manuals for Marantz SR4001

Related product manuals