EasyManua.ls Logo

Marantz SR6006/U1B - Page 185

Marantz SR6006/U1B
225 pages
Print Icon
To Next Page IconTo Next Page
To Next Page IconTo Next Page
To Previous Page IconTo Previous Page
To Previous Page IconTo Previous Page
Loading...
185
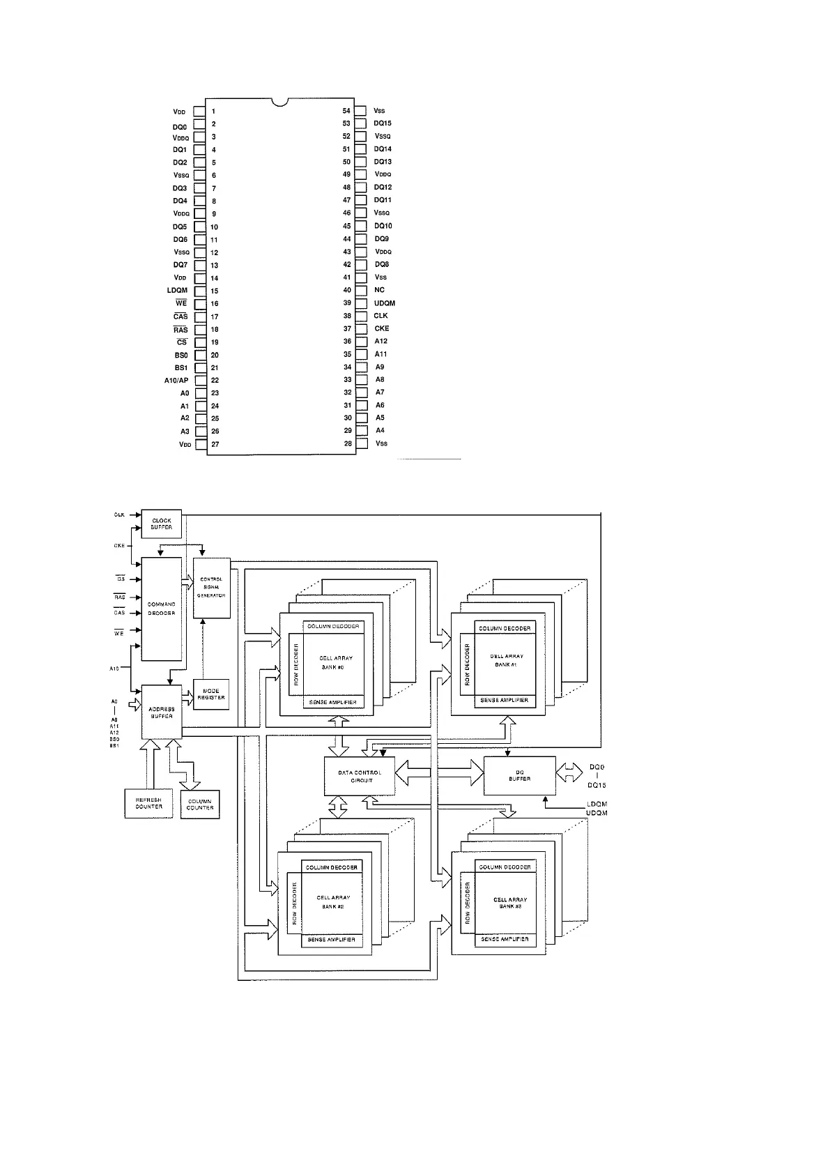
W9825G6JH-6 (HDMI : IC392)
W9825G6JH-6 Pin Function

Table of Contents

Related product manuals