EasyManua.ls Logo

Marantz SR6006/U1B - Page 34

Marantz SR6006/U1B
225 pages
Print Icon
To Next Page IconTo Next Page
To Next Page IconTo Next Page
To Previous Page IconTo Previous Page
To Previous Page IconTo Previous Page
Loading...
DVR
CVBS IN
SAT
V.AUX(FRONT)
75
COMPONENT IN
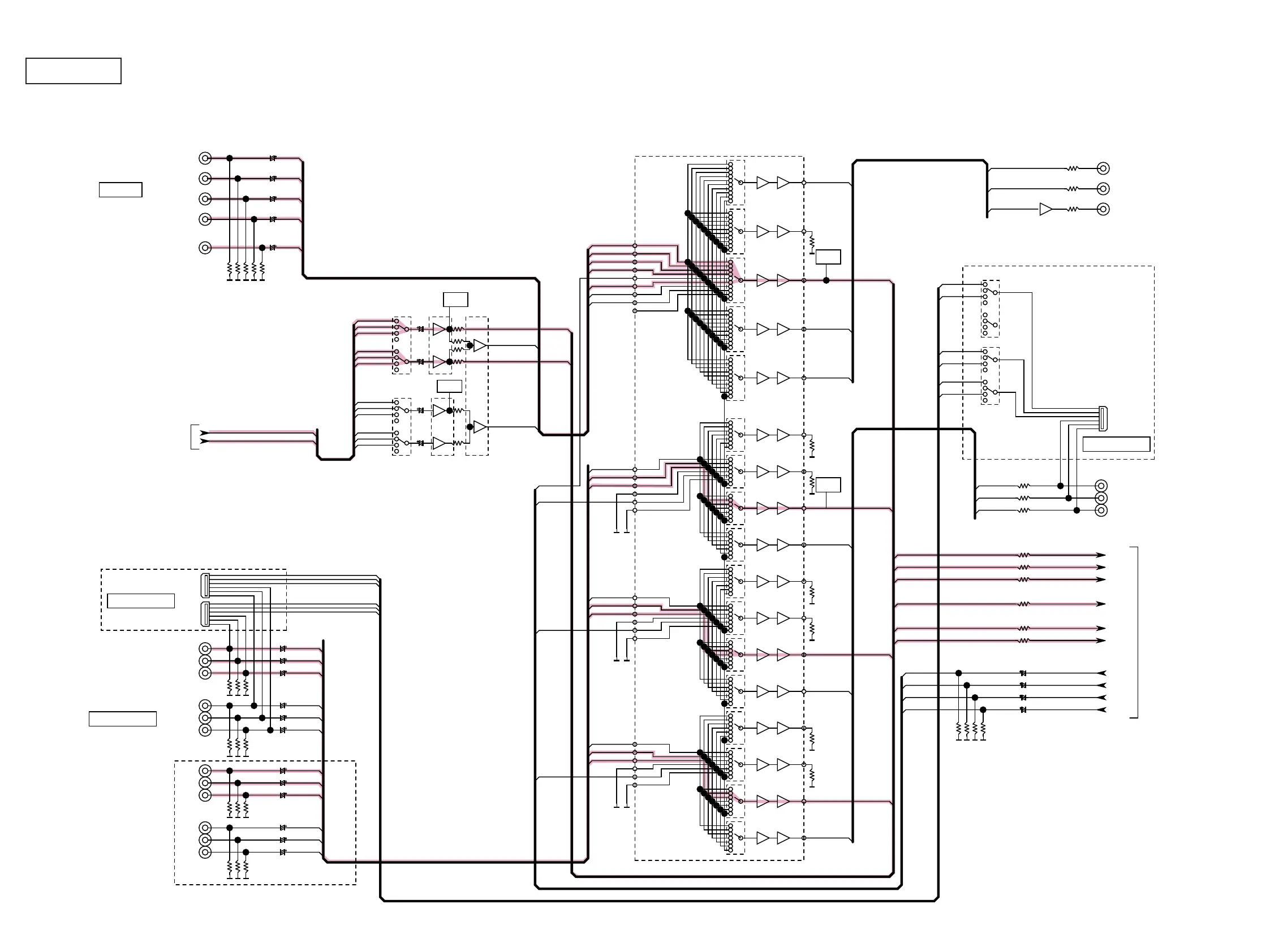
SR6006 VIDEO BLOCK
6dB
1k
1k
1k
1k
1k
1k
1k
1k
75
75
75
75
75
75
75
75
75
75
75
DVD
BD
ETHER_SY
MAIN Y/C
ZONE2 Y/C
IN1
IN2
IN3
IN4
IN5
IN6
IN7
IN8
IN9
MAIN Y/C
ZONE2 Y/C
BD_V
DVD_V
DVR_V
SAT_V
V.AUX_V
BD_V
DVR_V
DVD_V
SAT_V
V.AUX_V
VOUT4
VOUT5
VOUT1
VOUT2
VOUT3
MONITOR
REC
Z2 MONITOR
REC
MONITOR
Z2 MONITOR
YIN1
YIN2
YIN3
YIN4
YIN5
YIN6
PBIN1
PBIN2
PBIN3
PBIN4
PBIN5
PBIN6
PRIN1
PRIN2
PRIN3
PRIN4
PRIN5
PRIN6
SAT
BD
DVD_Y
DVD_CB
DVD_CR
SAT_Y
SAT_CB
SAT_CR
BD_Y
BD_CB
BD_CR
BD_Y
DVD_Y
SAT_Y
BD_PB
DVD_PB
SAT_PB
BD_PR
DVD_PR
SAT_PR
JAPAN D-JACK
YOUT1
YOUT2
YOUT3
YOUT4
PBOUT1
PBOUT2
PBOUT3
PBOUT4
PROUT1
PROUT2
PROUT3
PROUT4
DEC_Y_IN
ZONE1 Y
DEC_PB_IN
ZONE1 PB
DEC_PR_IN
ZONE1 PR
D VIDEO OUT
COMPONENT OUT
REC
MONITOR
Z2 MONITOR
DEC_CVBS_IN
ZONE1 Y
ZONE1 PB
ZONE1 PR
DEC_SY_IN
DEC_SC_IN
DEC_Y_IN
DEC_PB_IN
DEC_PR_IN
DEC_CVBS_IN
DEC_SY_IN
DEC_SC_IN
TO HDMI BLOCK
DETECT
CIRCUIT
DETECT
CIRCUIT
DETECT
CIRCUIT
DETECT
CIRCUI
T
BU4052BCF
BU4052BCF
VDO_Y
VDO_PB
VDO_PR
VDO_Y
VDO_PB
VDO_PR
VDO_CVBS
VDO_CVBS
VDO_CVBS
ETHER_SC
TO DIGITAL AUDIO BLOCK
JAPAN D-JACK
AVDM-2000
BD7628F
BD7628F
BD7628F
BU4052BCF
BU4052BCF
MONIL1
MONIL2
MONIL3
VIN2L1
VIN1L1
VIN2L2
VIN1L2
VIN2L3
VIN1L3
VIN1L1
VIN1L2
VIN1L3
VIN2L1
VIN2L2
VIN2L3
DVR
OPEN
DVR_Y
DVR_CB
DVR_CR
OPEN
DVD
IC552
IC553
IC554
IC555
IC556
IC551
OPEN
OPEN
g.4 (1/2)
34

Table of Contents

Related product manuals