EasyManua.ls Logo

Marantz SR6006/U1B - Page 59

Marantz SR6006/U1B
225 pages
Print Icon
To Next Page IconTo Next Page
To Next Page IconTo Next Page
To Previous Page IconTo Previous Page
To Previous Page IconTo Previous Page
Loading...
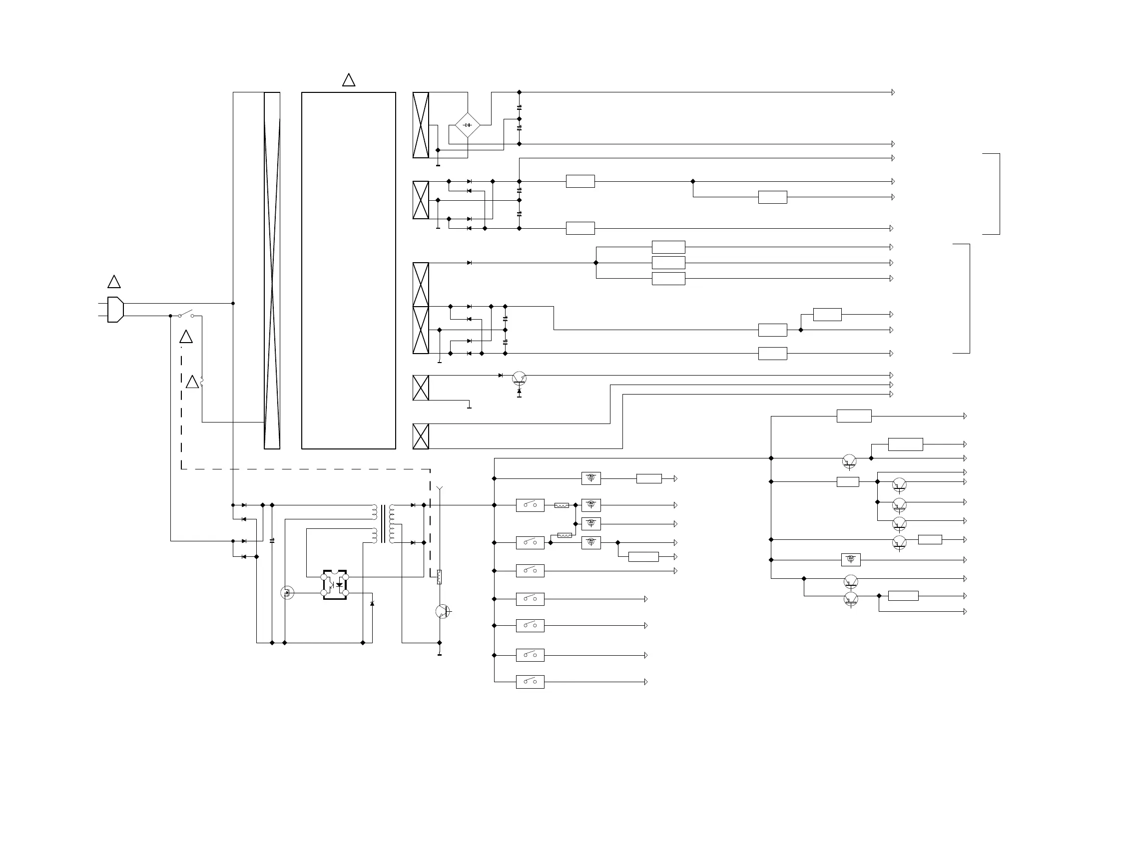
SR6006 VCC BLOCK DIAGRAM
+HIGHB
-HIGHB
AC CORD
RELAY
!
!
!
MAIN TRANS
S2 TOTAL : 701mA
S3 TOTAL : 880mA
!
S5(FILAMENT)
S4(FL+Vdisp)
S2(+8V,-8V)
S1(AMP+B,-B)
KIA7808API
KIA7908PI
FILAMENT AC
264mA
DA+5V (ANALOG AUDIO PART)
Vdisp(+42V)
KIA7805API
+5.2V
MAIN PWR ON
KIA7809API
TUNER+9V
S3(VIDEO)
FILAMENT AC
KIA7905PI
-5VV
KIA7805API
+5VV
DA+8V (ANALOG AUDIO PART)
A-8V (ANALOG AUDIO PART)
100mA
PQ120DNA1ZPH
NJM2845DL133
(AVDM2000)
AV+3.3V
TRIGGER +12V
TRIGGER +12V
D3.3V-1
D3.3V
NJM2845DL118
CEC1.8V
NET1.2V
DA1.1V
NJM2845DL133
DV 5V
VE3.3V
NET POWER
NET 3.3V
DA POWER
DA 3.3V
DV POWER1
DV 3.3V
CEC POWER
CEC 3.3V
AVDD 1.8V
CEC POWER
DV POWER2
CEC 1.8V
DV 1.8V
NET 1.2V
DA 1.1V
NET POWER
DA POWER
PQ033DNA
NJM2845DL133
SWM5V
M3.3V
MUTE3.3V
SWM3.3V
REMOTE 3.3V
USB +5V
CEC +5V
CEC BUFFER
SCPU +3.3V
CEC POWER
VBUS
REMOTE POWER
CPU POWER
DM860
DM860,LAN8700,SAA7121
DSP
DIR*3,74VHC04,PLD
ADV8002,64SFLASH
ADV8002,1G_DDR2*2
ADV3002,AD8195
AVD7844,ADV3002,AD8195
AVD7844
AVD7844
MCU,256EEPROM
MUTE
LEVEL
CHG
LEVEL CHG
FRONT USB
150mA
150mA
264mA
171mA
171mA
183mA
PQ120DNA1ZPH
0.2A
PQ033DNA1ZPH
HD TUNER+3.3V
50mA
165mA
265mA
20mA
DV1.8V
IC301
IC302
IC303
IC309
IC304
IC305
Q3003
Q3008
Q3023
IC123
IC307
Q3031
IC306
Q3027
Q3025
Q3200
Q3034
Q3036
IC156
Q3013
Q3058
TC74VHC244FT
256SDRAM, 1G FLASH
APPLE
DSP,64SDRAM,16FLASH
CS2100D3.3V-1
OPEN
ADV8002
NJM2845DL133 M-X PORT
IC981
IC961
0.937A
0.473A
0.753A
2.163A
0.173A
1.25A
2.678A
0.606A
1.359A
0.045A
0.5A
0.08A
0.08A
0.5A
0.6A
1.64A
0.13A
0.52A
1.11A
0.17A
0.34A
0.045A
0.08A
0.08A
0.5A
0.6A
0.2A
1.46A
1.46A
5.415A
RELAY (HPV/FV/CV/SUB/SBV/F-BV/F-HV)
VIDEO+5V
VIDEO+5V
OPEN
D5V
OPEN
OPEN (OPTION)
TU3.3V
+3V3
NJM2887DL3
IC603
VFD POWER 4.19V
FL 5V
0.16A
2
4
3
1
D
G
S
43
2 1
Q3029
59

Table of Contents

Related product manuals