EasyManua.ls Logo

Marantz SR8001 - 12. Microprocessor and IC Data; IC11: HD64 F2505 Pin Description

Marantz SR8001
208 pages
Print Icon
To Next Page IconTo Next Page
To Next Page IconTo Next Page
To Previous Page IconTo Previous Page
To Previous Page IconTo Previous Page
Loading...
171
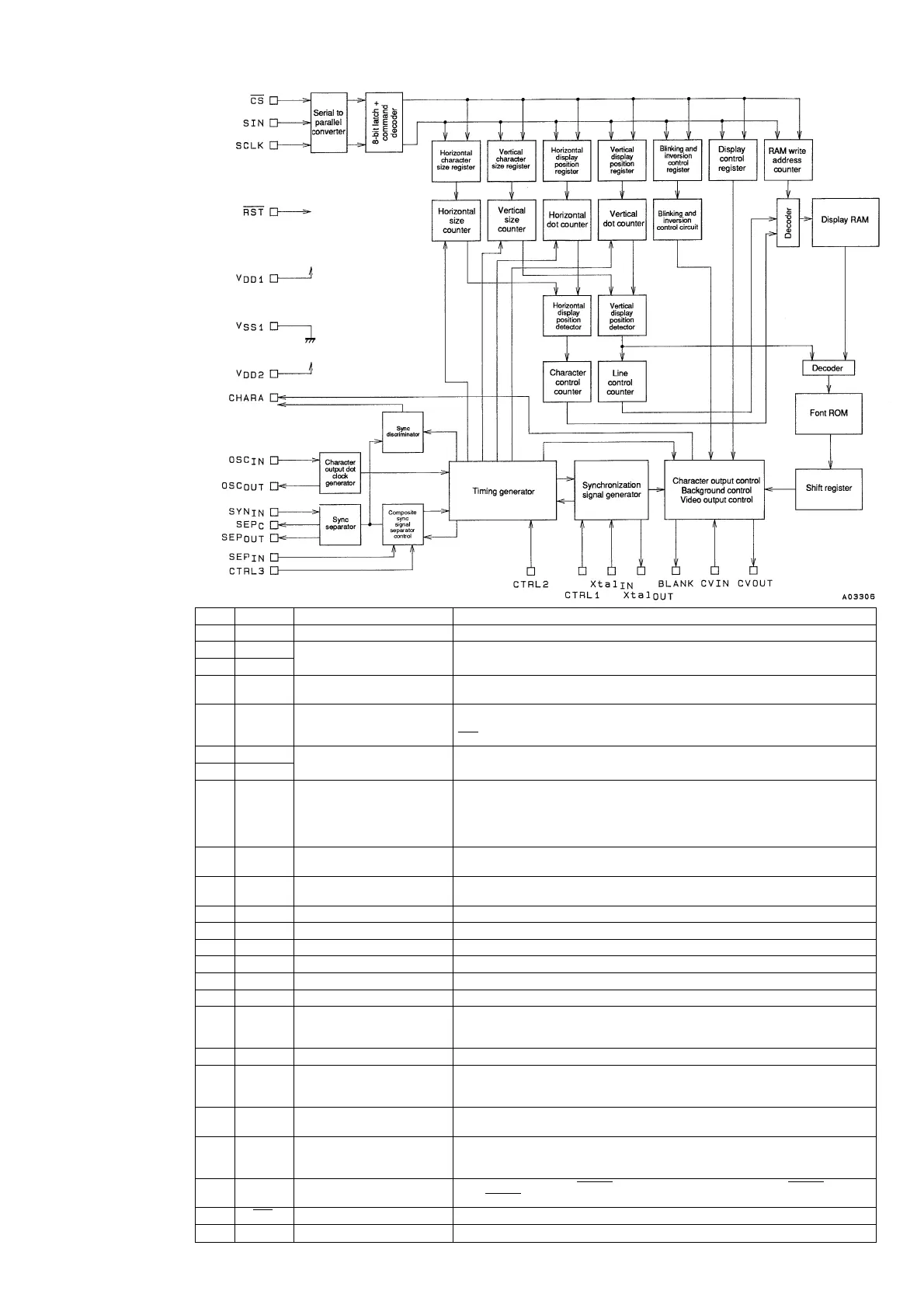
Pin No. Symbol Function Description
1V
SS
1 Ground Ground connection (digital system ground)
2 Xtal
IN
Crystal oscillator connection
Used to connect the crystal oscillator and capacitor used to generate the internal
3 Xtal
OUT
synchronization signal, or to input an external clock (2fsc or 4fsc).
4 CTRL1 Crystal oscillator input switching
Switches between external clock input mode and crystal oscillator mode.
Low = crystal oscillator mode, high = external clock mode
Outputs the blank signal (the OR of the character and border signals). (Outputs a composite
5 BLANK Blanking output sync signal when MOD0 is high.) Outputs the crystal oscillator clock during reset (when the
RST pin is low), but can be set up to not output this signal by microprocessor command.
6 OSC
IN
LC oscillator connection
Connections for the coil and capacitor that form the oscillator that generates the character
7 OSC
OUT
output dot clock.
Outputs the character signal. (Functions as the external synchronization signal discrimination
signal output pin when MOD0 is high, and outputs the state of the judgment as to whether the
8 CHARA Character output external synchronization signal is present or not. Outputs a high level when the synchronization
signal is present.) Outputs the dot clock (LC oscillator) during reset, but can be set up to not
output this signal by microprocessor command.
9 CS Enable input
Serial data input enable input. Serial data input is enabled when low. A pull-up resistor is built in
(hysteresis input).
10 SCLK Clock input
Serial data input clock input.
A pull-up resistor is built in (hysteresis input).
11 SIN Data input Serial data input. A pull-up resistor is built in (hysteresis input).
12 V
DD
2 Power supply Composite video signal level adjustment power supply pin (analog system power supply).
13 CV
OUT
Video signal output Composite video signal output
14 NC Must be either connected to ground or left open.
15 CV
IN
Video signal input Composite video signal input
16 V
DD
1 Power supply Power supply (+5 V: digital system power supply)
Video signal input for the built-in sync separator circuit (Used for either horizontal
17 SYN
IN
Sync separator circuit input synchronization signal or composite sync signal input when the built-in sync separator circuit is
not used.)
18 SEP
C
Sync separator circuit bias voltage Built-in sync separator circuit bias voltage monitor pin
Built-in sync separator circuit composite sync signal output. (When MOD1 is high, outputs a high
19 SEP
OUT
Composite sync signal output level during internal synchronization and a low level during external synchronization.) (Outputs
the SYN
IN
input signal when the internal sync separator circuit is not used.)
20 SEP
IN
Vertical synchronization Inputs a vertical synchronization signal created by integrating the SEP
OUT
pin output signal. An
signal input integrator must be attached at the SEP
OUT
pin. This pin must be tied to V
DD
1 if unused.
The setting indicated by this pin takes priority in switching between the NTSC, PAL, PAL-M and
21 CTRL2 NTSC/PAL-M switching input PAL-N formats. A low level selects NTSC after a reset. The microprocessor command NTSC,
PAL, PAL-M, or PAL-N setting is valid. High = PAL-M format.
22 CTRL3 SEP
IN
input control
Controls whether or not the VSYNC signal is input to the SEP
IN
input. Low = VSYNC input,
high = VSYNC not input.
23 RST Reset input System reset input. A pull-up resistor is built in (hysteresis input).
24 V
DD
1 Power supply (+5 V) Power supply (+5 V: digital system power supply)
IC78 : LC747828A13

Other manuals for Marantz SR8001

Related product manuals