EasyManua.ls Logo

Marantz SR8001 - Page 136

Marantz SR8001
208 pages
Print Icon
To Next Page IconTo Next Page
To Next Page IconTo Next Page
To Previous Page IconTo Previous Page
To Previous Page IconTo Previous Page
Loading...
170
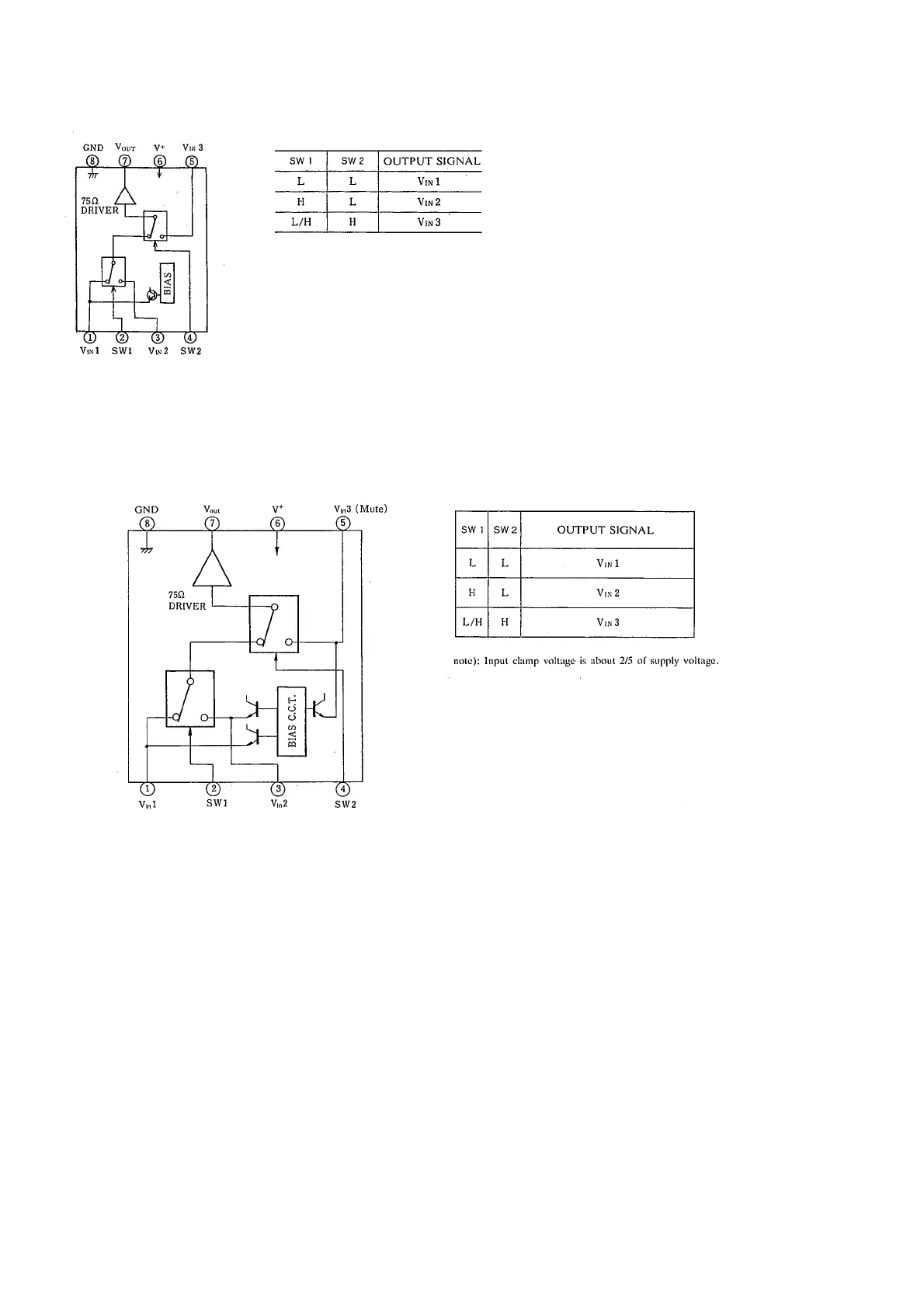
IC75 : NJM2264D
IC76 : NJM2244D
IC77 : NJM2244D
IC82 : NJM2244D

Other manuals for Marantz SR8001

Related product manuals