EasyManua.ls Logo

Marantz SR8001 - Page 135

Marantz SR8001
208 pages
Print Icon
To Next Page IconTo Next Page
To Next Page IconTo Next Page
To Previous Page IconTo Previous Page
To Previous Page IconTo Previous Page
Loading...
169
13
9
7
5
3
20k
20k
20k
20k
16
10 14 2
1
15
11
81264
6dB
Amp
75Ω
Driver
S3
S2
S4
S1
20k
20k
20k
S5
S6
S7
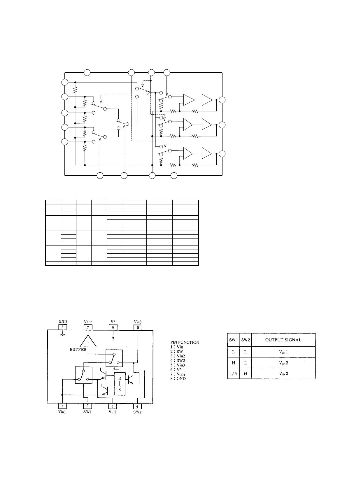
Vin1
Vin2
Vin3
Vin4
Vin5
SW3 SW4
SW5SW1SW2V
+
GND V
-
Vout3
Vout2
Vout1
6dB
Amp
6dB
Amp
75
Ω
Driver
75
Ω
Driver
Control Signal vs. Output Signal (L=V
CL
,H=V
CH
, X=L or H)
SW1 SW2 SW3 SW4 SW5 Vout1 Vout2 Vout3
H H Vin1 MUTE Vin1
L H Vin1 MUTE MUTE
L
H
X X
L MUTE MUTE Vin1
H Vin2 Vin2 MUTE
H L X L
L MUTE Vin2 MUTE
H Vin3 Vin3 Vin3
H H X L
L MUTE Vin3 Vin3
H H Vin4 Vin4 Vin4
H L MUTE Vin4 Vin4
L H Vin4 Vin4 MUTE
H
L
L H
L MUTE Vin4 MUTE
H H Vin5 Vin5 Vin5
H L MUTE Vin5 Vin5
L H Vin5 Vin5 MUTE
H
L
H H
L MUTE Vin5 MUTE
L L X X L MUTE MUTE MUTE
IC71 : NJM2595MTE1
IC72 : NJM2595MTE1
IC73 : NJM2595MTE1
IC81 : NJM2595MTE1
IC74 : NJM2535D

Other manuals for Marantz SR8001

Related product manuals