EasyManua.ls Logo

Mariner 150 OPTIMAX - Page 124

Default Icon
490 pages
Print Icon
To Next Page IconTo Next Page
To Next Page IconTo Next Page
To Previous Page IconTo Previous Page
To Previous Page IconTo Previous Page
Loading...
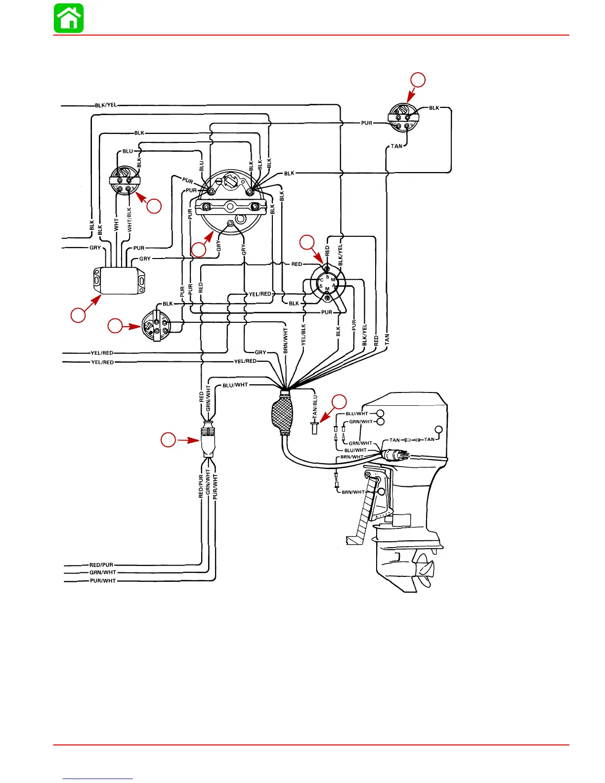
WIRING DIAGRAMS
90-855347R1 JANUARY 1999 Page 2D-9
IMPORTANT: On installations where gauge options will not be used, tape back and
isolate unused wiring harness leads.
52206
i
g
a
e
j
f
m
o
STARBOARD INSTALLATION
BATT
GND
SENDER
g
i
j
f
m
o
a
e
i-Synchronizer Gauge
j-Synchronizer Module
k-Lanyard Switch (Isolation) Diode
l-Y Harness
m-Power Trim Harness Connector
n-Connect Wires together with Screw and Nut (4 Places); Apply Liquid Neo-
prene to Connections and slide Rubber Sleeve over each Connection.
o-Lead to Visual Warning Kit

Table of Contents