EasyManua.ls Logo

Mariner 150 OPTIMAX - Exhaust Manifold and Exhaust Plate

Default Icon
490 pages
Print Icon
To Next Page IconTo Next Page
To Next Page IconTo Next Page
To Previous Page IconTo Previous Page
To Previous Page IconTo Previous Page
Loading...
POWERHEAD
Page 4A-6 90-855347R1 JANUARY 1999
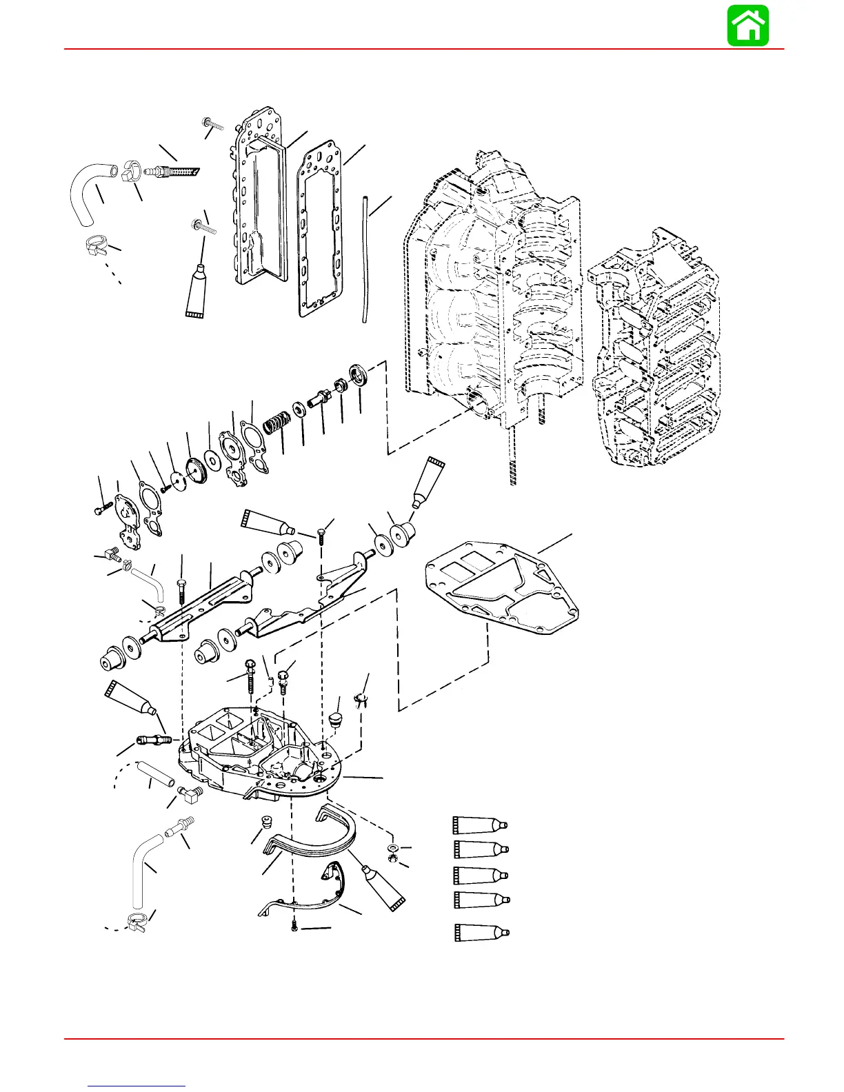
Exhaust Manifold and Exhaust Plate
1
2
3
31
4
5
8
9
10
11
12
18
13
14
15
16
17
19
20
21
22
23
24
25
30
26
27
28
29
37
38
39
33
34
40
41
42
43
44
45
46
47
18
10
32
35
36
10
10
6
7
D
A
B
C
10
Permabond 105 Cyanacrylate Adhesive
(Purchase Locally)
62
95
51
9
62
7
A = TO FUEL COOLER WATER IN B = TO FUEL COOLER WATER OUT FITTING
C = TO LOWER PORT FUEL RAIL SIDE FITTING
D = TO AIR COMPRESSOR LOWER WATER INLET FITTING
51
Loctite 222 (92-809818)
7
Loctite 271 (92-809820)
95
2-4-C With Teflon (92-825407A12)
Loctite PST Pipe Sealant (92-809822)
9

Table of Contents

Related product manuals