EasyManua.ls Logo

Mariner 150 OPTIMAX - Gear Housing (Prop Shaft)(Counter Rotation)

Default Icon
490 pages
Print Icon
To Next Page IconTo Next Page
To Next Page IconTo Next Page
To Previous Page IconTo Previous Page
To Previous Page IconTo Previous Page
Loading...
LEFT HAND NON-RATCHETING
Page 6B-8 90-855347R1 JANUARY 1999
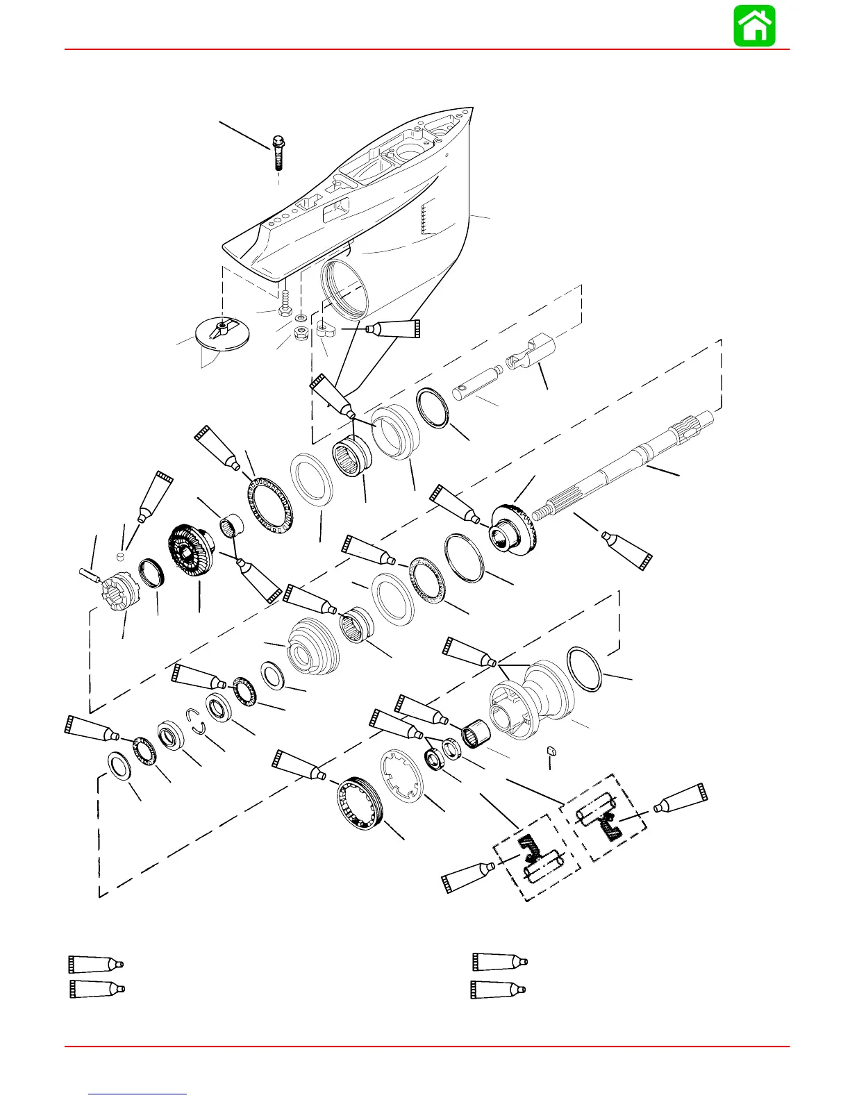
Gear Housing (Prop Shaft)(Counter Rotation)
1
68
69
70
71
72
73
74
75
76
77
78
79
80
81
82
83
84
85
86
87
88
74
73
72
95
87
87
95
87
87
87
87
94
95
87
7
95
95
95
87
87
4.75 IN./120.65 MM
TORPEDO DIA.
7
Loctite 271 (92-809820)
94
Anti-Corrosion Grease (92-78376A6)
95
2-4-C With Teflon (92-825407A12)
87
Quicksilver Gear Lubricant (92-19007A24)
51
52
53
54
55
56
57
58
59
60
61
62
63
64
65
66
67

Table of Contents

Related product manuals