EasyManua.ls Logo

Marklin Digital 60883 - Page 10

Marklin Digital 60883
Print Icon
To Next Page IconTo Next Page
To Next Page IconTo Next Page
To Previous Page IconTo Previous Page
To Previous Page IconTo Previous Page
Loading...
10
1
2 3
4
5
6
7
8
T
T
9
10
11
12
13
14
15
16
Bus 1 Bus 2Bus 3
12V
5V
1
2 3
4
5
6
7
8
T
T
9
10
11
12
13
14
15
16
Bus 1 Bus 2Bus 3
12V
5V
S 88 Link
S 88 Link
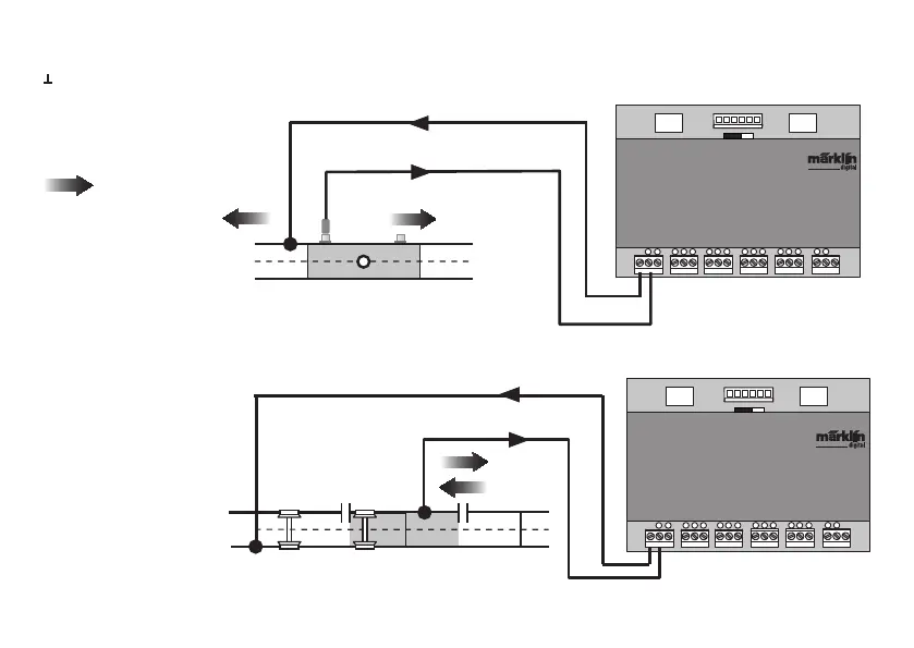
Beispiele für den Anschluss der verschiedenen Melde-Kontakte
Masserückführung für alle Gleis-Kontakte nur 1x erforderlich.
Anschluss an das Märklin
H0-Gleissystem mit dem
Schaltgeis
= Meldende Fahrt-
richtung
Fahrtrichtungsabhängige
Meldung.
Anschluss an das Märklin
H0-Gleissystem mit Kon-
taktgleisen
Fahrtrichtungsunabhän-
gige Meldung

Table of Contents

Related product manuals