EasyManua.ls Logo

Marklin Digital 60883 - Page 30

Marklin Digital 60883
Print Icon
To Next Page IconTo Next Page
To Next Page IconTo Next Page
To Previous Page IconTo Previous Page
To Previous Page IconTo Previous Page
Loading...
30
1
2 3
4
5
6
7
8
T
T
9
10
11
12
13
14
15
16
Bus 1 Bus 2Bus 3
12V
5V
1
2 3
4
5
6
7
8
T
T
9
10
11
12
13
14
15
16
Bus 1 Bus 2Bus 3
12V
5V
S 88 Link
S 88 Link
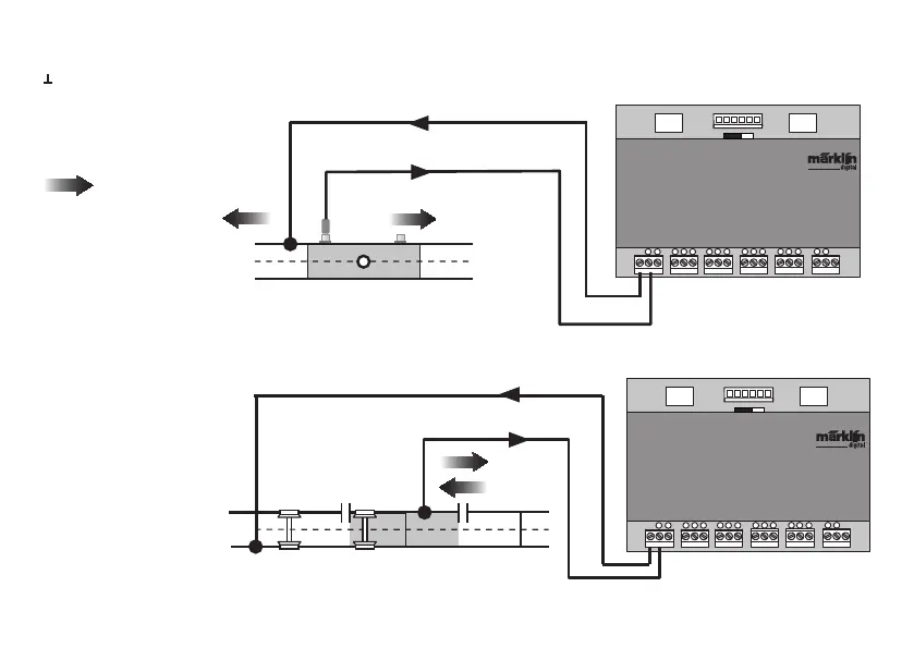
Exemples pour le raccordement des différents contacts de (rétro) signalisation
Retour à la masse nécessaire seulement une fois pour tous les contacts de voie .
Raccordement au système
de voie Märklin H0 avec la
voie de commutation
= sens de marche
à la base du signal
Signal en fonction du sens
de marche
Raccordement au système
de voie Märklin H0 avec
voies de contact
Signal en fonction du sens
de marche

Table of Contents

Related product manuals