EasyManua.ls Logo

Marklin Digital 60883 - Page 40

Marklin Digital 60883
Print Icon
To Next Page IconTo Next Page
To Next Page IconTo Next Page
To Previous Page IconTo Previous Page
To Previous Page IconTo Previous Page
Loading...
40
1
2 3
4
5
6
7
8
T
T
9
10
11
12
13
14
15
16
Bus 1 Bus 2Bus 3
12V
5V
1
2 3
4
5
6
7
8
T
T
9
10
11
12
13
14
15
16
Bus 1 Bus 2Bus 3
12V
5V
S 88 Link
S 88 Link
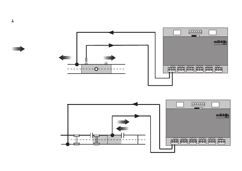
Voorbeelden voor het aansluiten van de verschillende meldcontacten
Massa retour voor alle railcontacten slechts 1x nodig.
Aansluiting aan het Märklin
H0-railsysteem met een
schakelrail
= Meldende rijrich-
ting
Rijrichtingafhankelijke
melding
Aansluiting aan het Märklin
H0-railsysteem met een
contactrails
Rijrichtingonafhankelijke
melding

Table of Contents

Related product manuals