EasyManua.ls Logo

Marklin Digital 60883 - Page 50

Marklin Digital 60883
Print Icon
To Next Page IconTo Next Page
To Next Page IconTo Next Page
To Previous Page IconTo Previous Page
To Previous Page IconTo Previous Page
Loading...
50
1
2 3
4
5
6
7
8
T
T
9
10
11
12
13
14
15
16
Bus 1 Bus 2Bus 3
12V
5V
1
2 3
4
5
6
7
8
T
T
9
10
11
12
13
14
15
16
Bus 1 Bus 2Bus 3
12V
5V
S 88 Link
S 88 Link
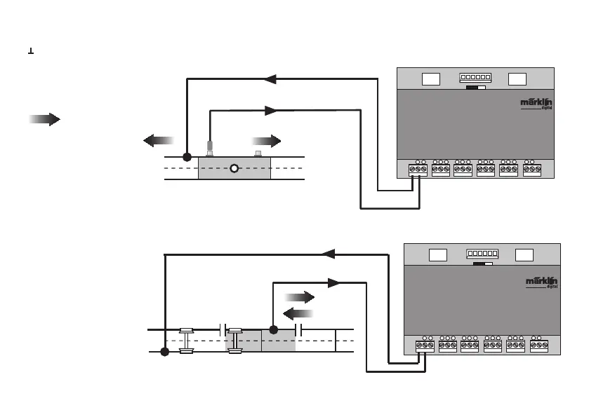
Ejemplos de conexión de los diferentes contactos de señalzación
El retorno a masa para todos los contactos de vía se requiere 1 sola vez.
Conexión al sistema de
vías Märklin H0 con la vía
de conmutación
= Sentido de
marcha que señaliza
Señalización en función
del sentido de marcha
Conexión al sistema de
vías Märklin H0 con vías de
contacto
Señalización en función
del sentido de marcha

Table of Contents

Related product manuals