EasyManua.ls Logo

Marklin Digital 60883 - Page 60

Marklin Digital 60883
Print Icon
To Next Page IconTo Next Page
To Next Page IconTo Next Page
To Previous Page IconTo Previous Page
To Previous Page IconTo Previous Page
Loading...
60
1
2 3
4
5
6
7
8
T
T
9
10
11
12
13
14
15
16
Bus 1 Bus 2Bus 3
12V
5V
1
2 3
4
5
6
7
8
T
T
9
10
11
12
13
14
15
16
Bus 1 Bus 2Bus 3
12V
5V
S 88 Link
S 88 Link
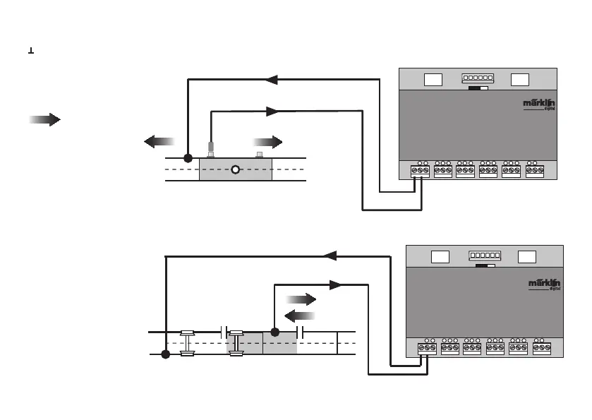
Esempi per il collegamento dei differenti contatti di notifica
Ritorno di massa per tutti i contatti del binario solo 1x necessario.
Connessione al sistema di
binario Märklin H0 con il
binario di commutazione
= Notica dipen-
dente dalla direzione di
marcia.
Notifica dipendente dalla
direzione di marcia.
Connessione al sistema
di binario Märklin H0 con
binari di contatto
Notifica indipendente
dalla direzione di marcia.

Table of Contents

Related product manuals