EasyManua.ls Logo

Marklin Digital 60883 - Page 70

Marklin Digital 60883
Print Icon
To Next Page IconTo Next Page
To Next Page IconTo Next Page
To Previous Page IconTo Previous Page
To Previous Page IconTo Previous Page
Loading...
70
1
2 3
4
5
6
7
8
T
T
9
10
11
12
13
14
15
16
Bus 1 Bus 2Bus 3
12V
5V
1
2 3
4
5
6
7
8
T
T
9
10
11
12
13
14
15
16
Bus 1 Bus 2Bus 3
12V
5V
S 88 Link
S 88 Link
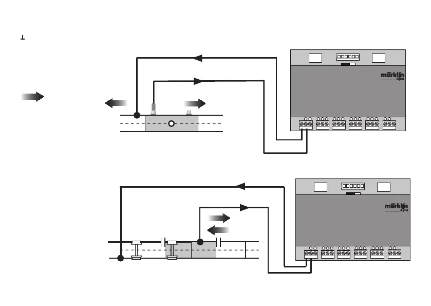
Exempel på anslutning av olika givares kontakter
Jordåterkoppling för samtliga spår-kontakter - endast 1x behövs.
Anslutning till Märklins
H0-spårsystem med kopp-
lingsskena
= Av givare angiven
körriktning
Körriktningsberoende
kontaktmeddelande
Anslutning till Märklin
H0-spårsystem med kon-
taktskenor
Oberoende av riktningen
kontaktmeddelande

Table of Contents

Related product manuals