EasyManua.ls Logo

Marklin Digital 60883 - Page 80

Marklin Digital 60883
Print Icon
To Next Page IconTo Next Page
To Next Page IconTo Next Page
To Previous Page IconTo Previous Page
To Previous Page IconTo Previous Page
Loading...
80
1
2 3
4
5
6
7
8
T
T
9
10
11
12
13
14
15
16
Bus 1 Bus 2Bus 3
12V
5V
1
2 3
4
5
6
7
8
T
T
9
10
11
12
13
14
15
16
Bus 1 Bus 2Bus 3
12V
5V
S 88 Link
S 88 Link
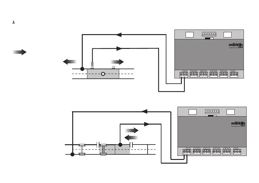
Eksempler på forbindelse af forskellige meldekontakter
Massetilbageførsel til alle skinnekontakter er kun 1x nødvendig.
Forbindelse med
MärklinH0-skinnesystemet
med spændingsskinnen
= meldende kør-
selsretning
Melding, der er afhængig
af kørselsretningen.
Forbindelse med
Märklin H0-skinnesystemet
med kontaktskinnerne
Melding, der er uafhængig
af kørselsretningen

Table of Contents

Related product manuals