EasyManua.ls Logo

marposs M32A - Using the E32 A Ssr Interface; Enabling the Output: PROBE OUTPUT Signal; MIDA SET Arm Cycle Diagram (Enable P.O. =VTRUE)

marposs M32A
26 pages
Print Icon
To Next Page IconTo Next Page
To Next Page IconTo Next Page
To Previous Page IconTo Previous Page
To Previous Page IconTo Previous Page
Loading...
- User Manual
11
3. USING THE E32A SSR INTERFACE
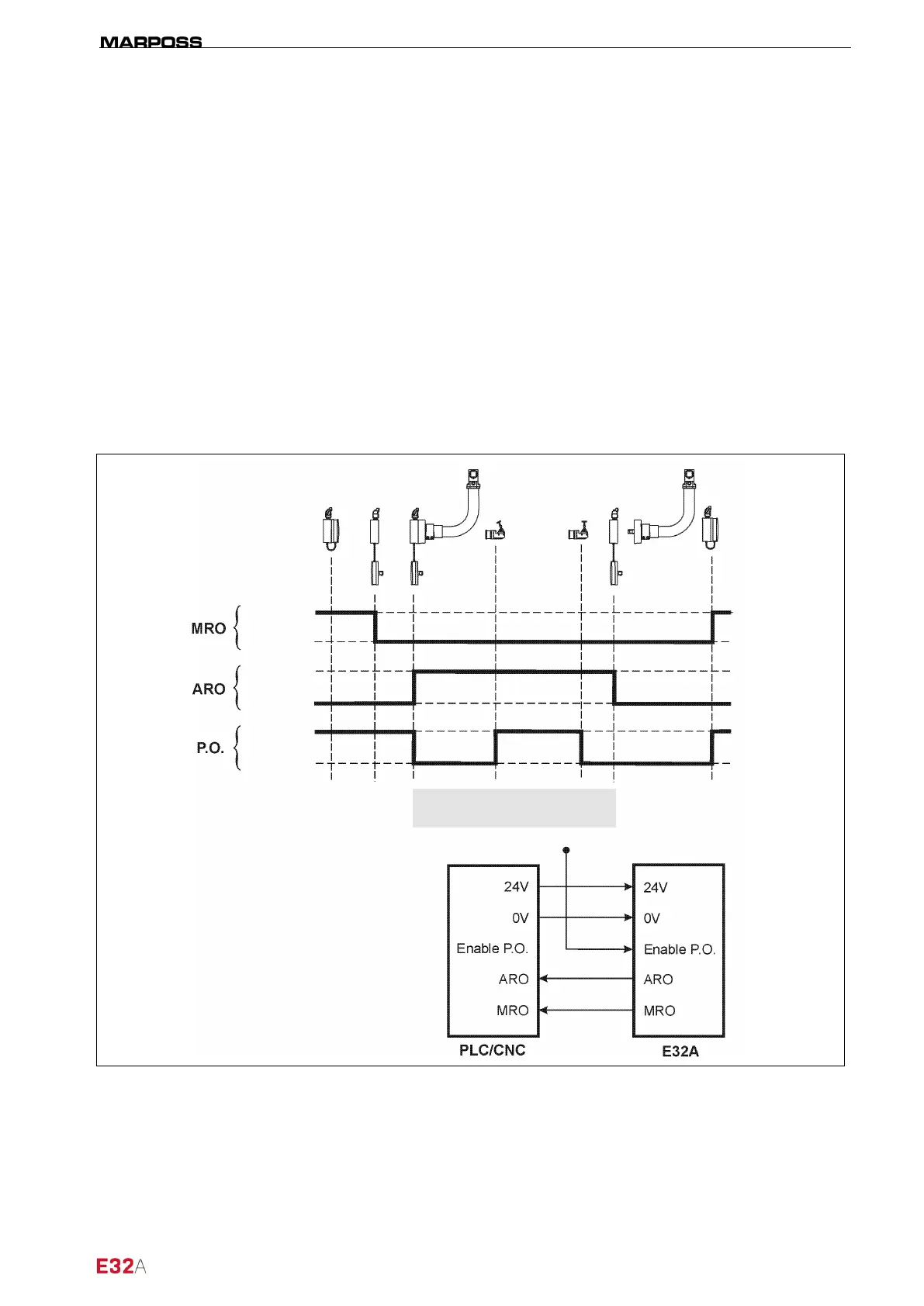
3.1 Enabling the output: PROBE OUTPUT signal
The output can be enabled using the ENABLE P.O. input signal. This signal enables the user to control the
P.O. output (by selecting the TRUE/FALSE logic level) even when the measurement cycle is not running.
Enable P.O. = TRUE sets the P.O. signal to TRUE when the measurement cycle is not running, otherwise it
will always set it to FALSE. Therefore it is best to use one of the two following configurations:
Enable P.O. = TRUE
P.O. = TRUE even when the measurement cycle is not running.
Enable P.O. = ARO
P.O. = TRUE only when the Touch probe is deflected during the
measurement cycle.
The MIDA SET, Electrical MIDA TOOL EYE, and Manual MIDA TOOL EYE arm operating cycle diagrams,
in the two different configurations, are illustrated below.
3.1.1 MIDA SET arm cycle diagram (Enable P.O. =VTRUE)
Figure 3-1. Enable output MODE 1 operating cycle diagram.
Probe enabled
(measurement cycle)
FALSE
FALSE
FALSE
TRUE
TRUE
TRUE
TRUE