EasyManua.ls Logo

marquette hellige MicroSmart - Page 81

Default Icon
92 pages
Print Icon
To Next Page IconTo Next Page
To Next Page IconTo Next Page
To Previous Page IconTo Previous Page
To Previous Page IconTo Previous Page
Loading...
Sheet:
of
2)
3)
4)
5)
Revision-No
Not equipped in Version :
Marquette Hellige GmbH
D-79007 Freiburg
Date / Name
ISSUED
APPROVED
DRAWN
Date / Name
REVISIONS
Index
1)
SPITZNAGEL
04.11.97/JOK
04.11.97/MSG
388 032 74 P
[1996, 3, 13, 4]
A03
/tmp_mnt/user_mnt/cae_b/microsmart/design
388 032 74
388 032 73
F67208
71
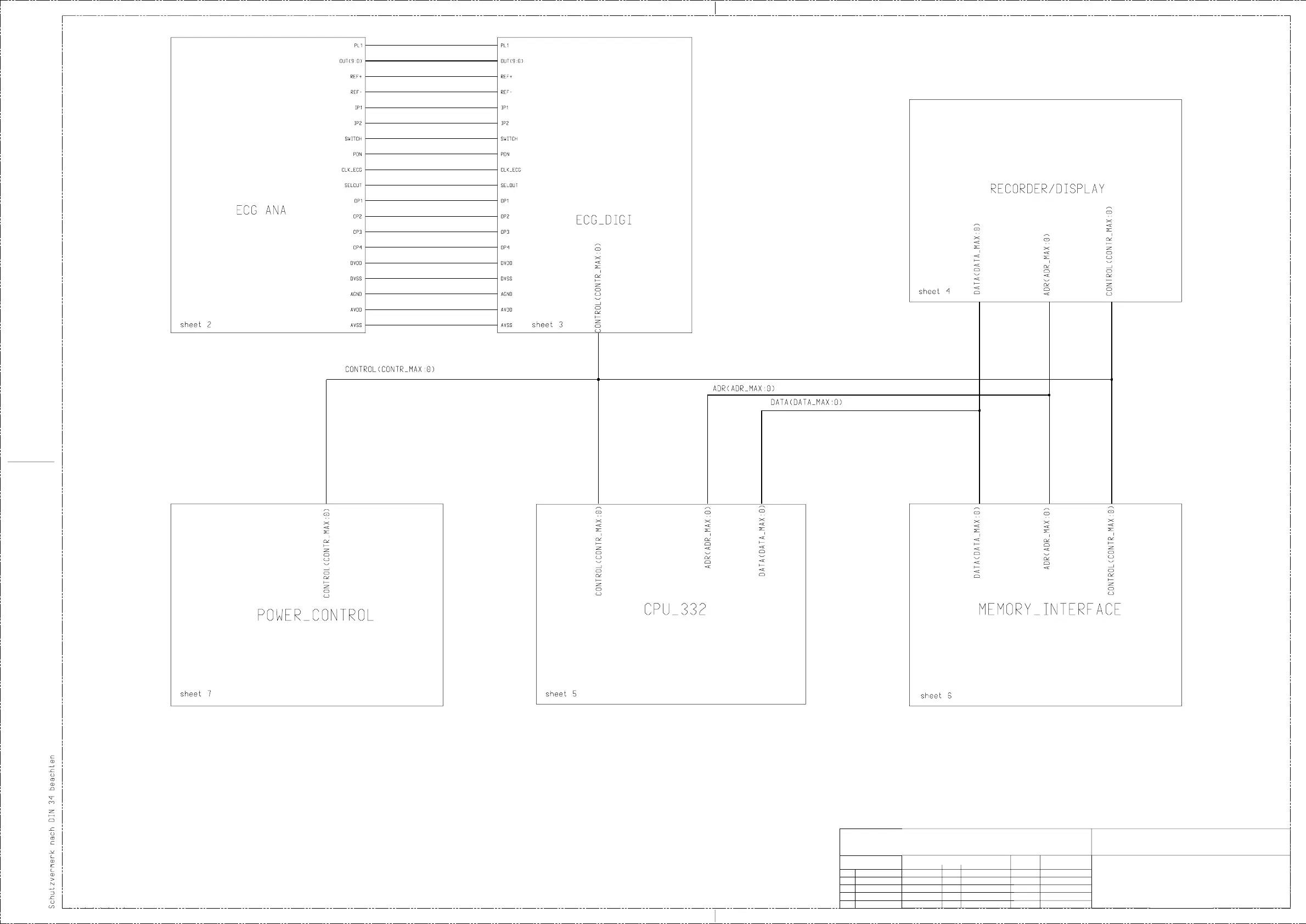
PCB MICROSMART
LPL MICROSMART

Table of Contents