EasyManua.ls Logo

marquette hellige MicroSmart - Page 84

Default Icon
92 pages
Print Icon
To Next Page IconTo Next Page
To Next Page IconTo Next Page
To Previous Page IconTo Previous Page
To Previous Page IconTo Previous Page
Loading...
Sheet:
of
2)
3)
4)
5)
Revision-No
Not equipped in Version :
Marquette Hellige GmbH
D-79007 Freiburg
Date / Name
ISSUED
APPROVED
DRAWN
Date / Name
REVISIONS
Index
1)
388 032 74 P
04.11.97/MSG
04.11.97/MLM
SPITZNAGEL
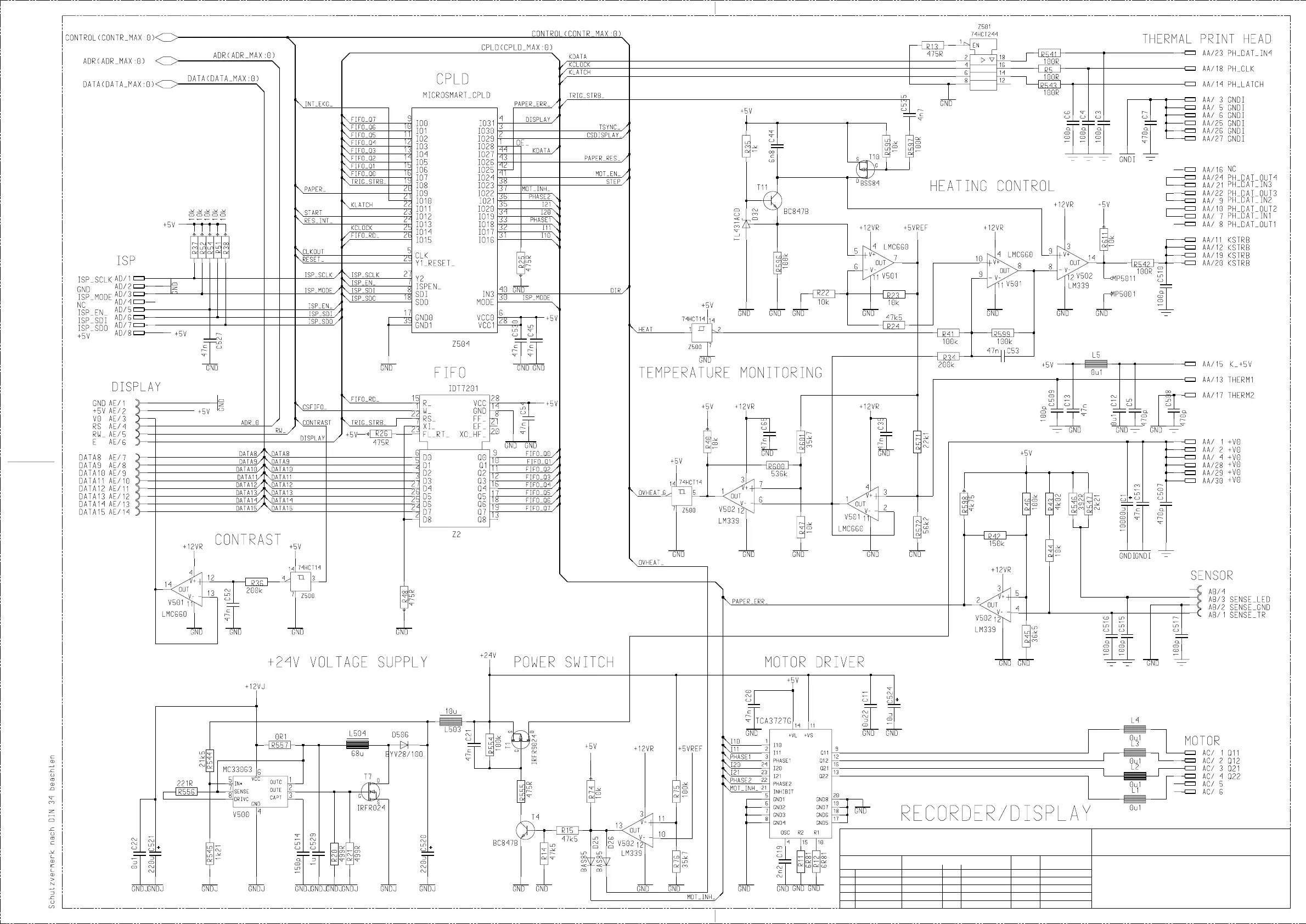
LPL MICROSMART
PCB MICROSMART
47
F67208
388 032 73
388 032 74
DIR
A03
DATE

Table of Contents