EasyManua.ls Logo

Matrix T7X-02 - Chapter 8: Troubleshooting

Matrix T7X-02
97 pages
Print Icon
To Next Page IconTo Next Page
To Next Page IconTo Next Page
To Previous Page IconTo Previous Page
To Previous Page IconTo Previous Page
Loading...
32
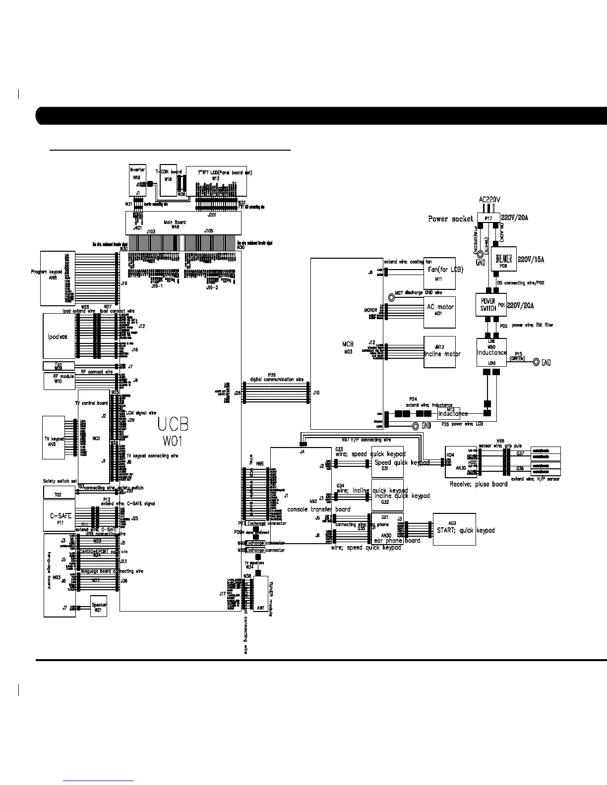
CHAPTER 8: TROUBLESHOOTING
8.1 ELECTRICAL DIAGRAM

Table of Contents

Related product manuals