EasyManua.ls Logo

MAXA 2600 W - Electrical Wiring Diagrams; Mono Split ON;OFF Wiring Diagrams

MAXA 2600 W
Print Icon
To Next Page IconTo Next Page
To Next Page IconTo Next Page
To Previous Page IconTo Previous Page
To Previous Page IconTo Previous Page
Loading...
88
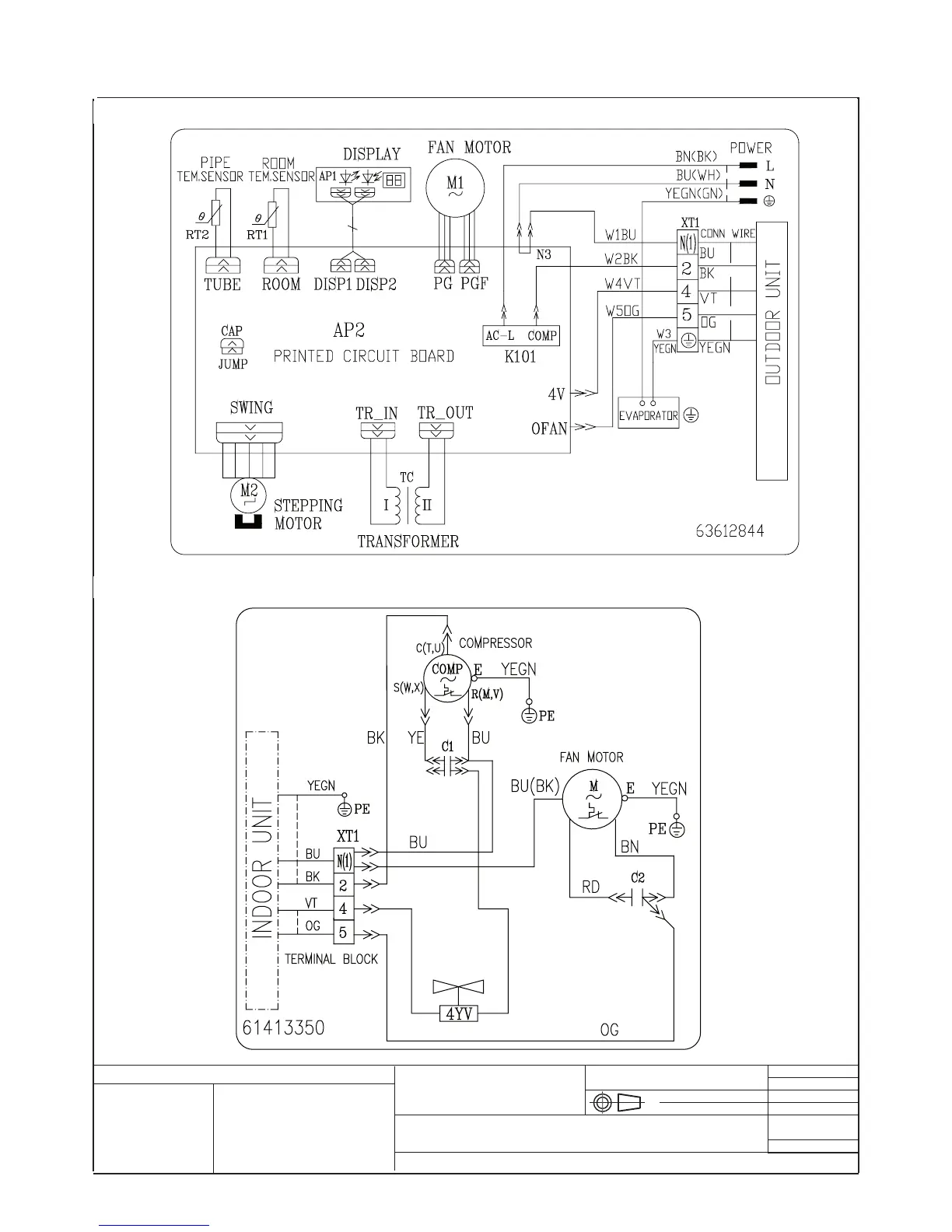
3. SCHEMI ELETTRICI / ELECTRIC SCHEMES / ESQUEMAS ELÉCTRICOS / SCHÉMAS ÉLECTRIQUES/ ELEKTRISCHE SCHEMEN
Schema elettrico per / Electrical layout for: OGGETTO / OBJECT
MONO SPLIT ON/OFF 2600 W, 410A
MATERIALI / MATERIALS:
DIS:
REV:
SCALA / SCALE:
DATA / DATE: 15.01.2010
DISEGNO \ DRAWING:
INDICE / INDEX:
Disegno proprietà della ditta - a termine di legge è fatto vietato riprodurlo o di renderlo comunque noto a terzi senza autorizzazione
Drawing property of the company - you may not copy, reproduce or transfer it to third parties without authorization
Codice / Code:
N° Pezzi / N. Pieces:
Legenda colori - Colours legend
BK / BLACK / Nero YELLOW/GREEN (YEGN) / Giallo-
Verde
BU / BLUE / Blu RED / ROSSO
GN / GREEN / Verde WH / White / Bianco
OG / ORANGE / Arancione
VT / VIOLET / VIOLA
YE / YELLOW / Giallo
Cablaggi unità esterna ON/OFF 2600 W / 2600 W ON/OFF Outdoor unit wiring diagram
Cablaggi unità interna ON/OFF 2600 W / 2600 W ON/OFF Indoor unit wiring diagram

Related product manuals