EasyManua.ls Logo

MAXA 2600 W - Dual Split ON;OFF Wiring Diagrams

MAXA 2600 W
Print Icon
To Next Page IconTo Next Page
To Next Page IconTo Next Page
To Previous Page IconTo Previous Page
To Previous Page IconTo Previous Page
Loading...
92
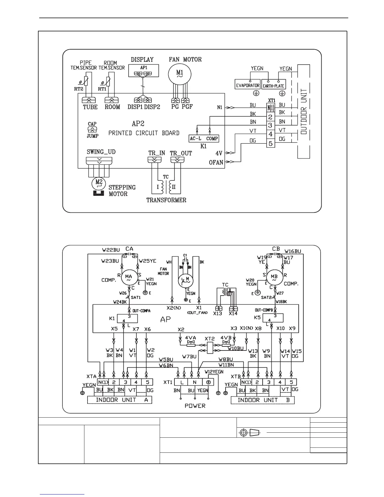
3. SCHEMI ELETTRICI / ELECTRIC SCHEMES / ESQUEMAS ELÉCTRICOS / SCHÉMAS ÉLECTRIQUES/ ELEKTRISCHE SCHEMEN
Schema elettrico per / Electrical layout for:
OGGETTO / OBJECT
DUAL SPLIT ON - OFF 2600 W + 2600 W, 410A
MATERIALI / MATERIALS:
DIS:
REV:
SCALA / SCALE:
DATA / DATE: 15.01.2005
DISEGNO \ DRAWING:
INDICE / INDEX:
Disegno proprietà della ditta - a termine di legge è fatto vietato riprodurlo o di renderlo comunque noto a terzi senza autorizzazione
Drawing property of the company - you may not copy, reproduce or transfer it to third parties without authorization
Codice / Code:
N° Pezzi / N. Pieces:
Legenda colori - Colours legend
BLACK / Nero YELLOW/GREEN (Y/G) / Giallo-Verde
BLUE / Blu
GREEN / Verde
ORANGE / Arancione
RED / Rosso
WH / WHITE / Bianco
YELLOW / Giallo
63612591
6361369401
Cablaggi unità interna ON-OFF DUAL 2600 W
2600 W ON-OFF DUAL Indoor unit wiring diagram
Cablaggi unità esterna (2600W + 2600W)
(2600W + 2600W) ON-OFF Outdoor unit wiring diagram

Related product manuals