EasyManua.ls Logo

maximal FD80T - Page 76

maximal FD80T
115 pages
Print Icon
To Next Page IconTo Next Page
To Next Page IconTo Next Page
To Previous Page IconTo Previous Page
To Previous Page IconTo Previous Page
Loading...
5-10t Internal Combustion Counterbalance Forklift Truck Operation & Maintenance Manual
-
-
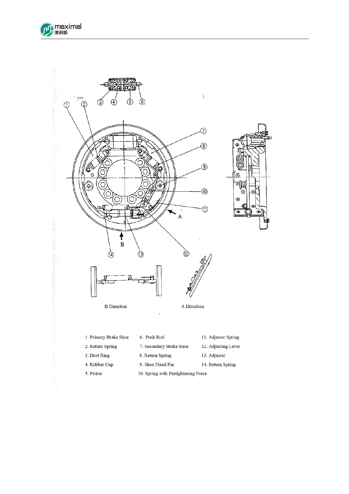
Fig 5-8 Brake (5-7t)

Table of Contents

Related product manuals