EasyManua.ls Logo

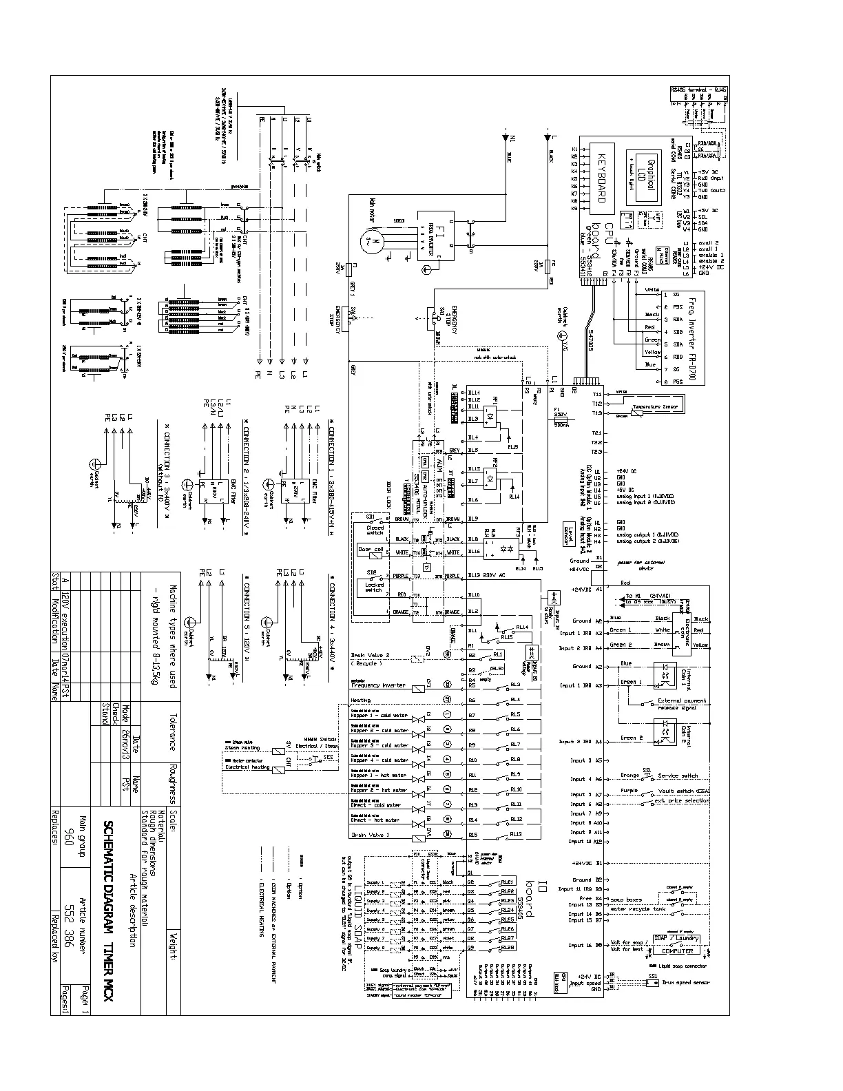
Maytag MXR65 - Wiring Diagram - MXR20 - 30

Maytag MXR65
124 pages
Print Icon
To Next Page IconTo Next Page
To Next Page IconTo Next Page
To Previous Page IconTo Previous Page
To Previous Page IconTo Previous Page
Loading...
6-2
WIRING DIAGRAM - MXR20 - 30

Table of Contents

Other manuals for Maytag MXR65

Related product manuals