EasyManua.ls Logo

McIntyre 320 - 500 And 600

McIntyre 320
68 pages
Print Icon
To Next Page IconTo Next Page
To Next Page IconTo Next Page
To Previous Page IconTo Previous Page
To Previous Page IconTo Previous Page
Loading...
47
320/407/500/600.41912-ENG
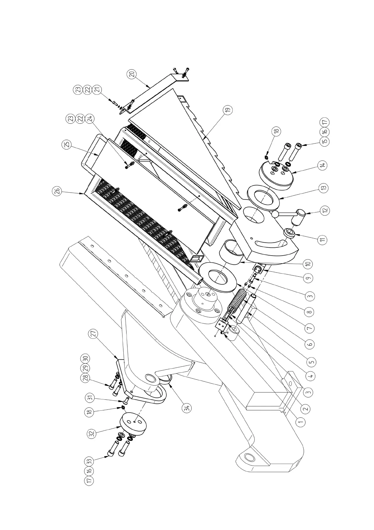
7.1.2. 500 and 600

Table of Contents

Related product manuals