EasyManua.ls Logo

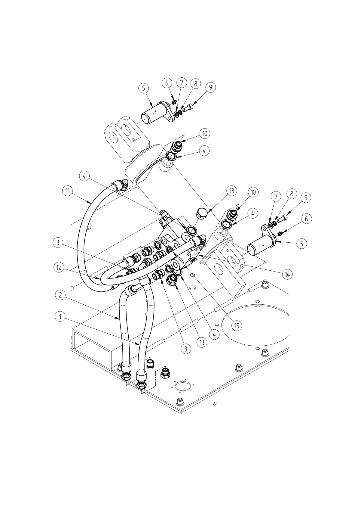
McIntyre 320 - 7.2. Hydraulic Tank; Control Valve & Ram Supply

McIntyre 320
68 pages
Print Icon
To Next Page IconTo Next Page
To Next Page IconTo Next Page
To Previous Page IconTo Previous Page
To Previous Page IconTo Previous Page
Loading...
49
320/407/500/600.41912-ENG
7.3. Control Valve & Ram Supply

Table of Contents

Related product manuals