EasyManua.ls Logo

Mec 3072RT - Page 91

Mec 3072RT
100 pages
Print Icon
To Next Page IconTo Next Page
To Next Page IconTo Next Page
To Previous Page IconTo Previous Page
To Previous Page IconTo Previous Page
Loading...
"3072RT / 3772RT / 3772RT HD" Service & Parts Manual - ANSI Specifications March 2008
Page 5-7
A
A
B
C
C
TILT
SENSOR
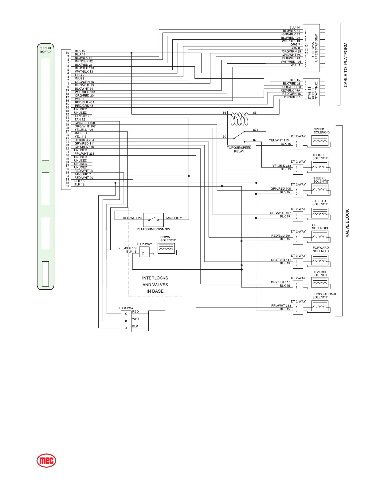
MAIN HARNESS - ANSI

Table of Contents

Related product manuals