EasyManua.ls Logo

Mec 3072RT - Control Station Schematics

Mec 3072RT
100 pages
Print Icon
To Next Page IconTo Next Page
To Next Page IconTo Next Page
To Previous Page IconTo Previous Page
To Previous Page IconTo Previous Page
Loading...
March 2008 "3072RT / 3772RT / 3772RT HD" Service & Parts Manual - ANSI Specifications
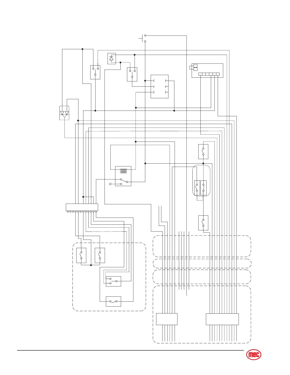
Page 5-10
Controls
8687A
8530
87
2
1
1
2
2
2
1
2
2
1
1
3
4
2
123
654
R
H6
X
-
+
A
H5
12
11
10
9
8
7
6
5
4
3
2
1
23
E-STOP IN (H)
IGN (L)
CHOKE IN (L)
THROTTLE INPUT (L)
HI RANGE (H)
STEER LEFT
STEER RIGHT
TORQUE SW (L)
LIFT MODE
FORWARD/DOWN
REVERSE/UP
PWM INPUT
CONNECTORS ON
MAIN CONTROL HARNESS
JOYSTICK
ANSI UPPER CONTROLS WITHOUT OUTRIGGER OPTION
TERMINAL
STRIP
HD34
CONN
WIRE NUMBERS
AND COLORS
4
3
DT06-12SA
UPPER STATION
2
1
12
11
10
9
8
7
6
5
WHT
WHT/RED
BLK/WHT
GRN/WHT
ORG/GRN
GRN
ORG
WHT/BLK
BLU/RED
GRN/BLK
BLU/BLK
BLU
1 WHT
1A YEL/WHT
101 YEL/WHT
20 ORG/RED
55 ORG/GRN
15 BLK
13 WHT/BLK
35 BLK/RED
32 GRN/BLK
3
RED
PLUG NUMBERS
FORWARD/DOWN
S3
S1
ROCKER
STEER L/R
ENABLE
REVERSE/UP
PPL
BLU
YEL
GRN
3A
31
32
31 BLU/BLK
3 PPL
8 GRN
7 ORG
25 GRN/WHT
101A RED
38 PNK/WHT
104 BLU/RED
15 BLK
6 ORG/ BLK
3 PPL
25 GRN/WHT
25 GRN/WHT
25 GRN/WHT
15 BLK
101 WHT/RED
101 WHT/RED
PC BOARD
3 PPL
3 PPL
TIME DELAY
RELAY
SPEED/TORQUE
LIFT/DRIVE
14 BLU
101 WHT/RED
24 BLK/WHT
25 GRN/WHT
55 ORG/GRN
8 GRN
1 ORG
13 WHT/BLK
104 BLU/RED
32 GRN/BLK
31 BLU/BLK
14 BLU
M
N
O
P
Q
R
S
T
U
V
W
X
ORG/BLK
RED/ORG
RED/BLK
BLK/RED
ORG/RED
BLK
TORQUE SW (2)
DE OUT (H)
DE IN (H)
PLATFORM DISABLE (H)
START (L)
GND
6
DT06-6S
UPPER STATION #2
4
3
5
2
1
B
D
F
H
K
L
6 ORG/BLK
45 RED/GRN
45A RED/BLK
35 BLK/RED
20 ORG/RED
15 BLK
C
E
G
A
J
72 BLU/WHT
73 BLK/WHT/RED
74 WHT/BLK/RED
71 RED/WHT
75 RED/WHT/BLK
NOT
USED
E-STOP
CHOKE/GLOW
RELAY
UPPER
STATION
KEY SWITCH
2
3
4
DIODE BLOCK
DB-2
DIODE BLOCK
DB-1
GENERATOR
SWITCH
(OPTION)
71 RED/WHT

Table of Contents

Related product manuals