EasyManua.ls Logo

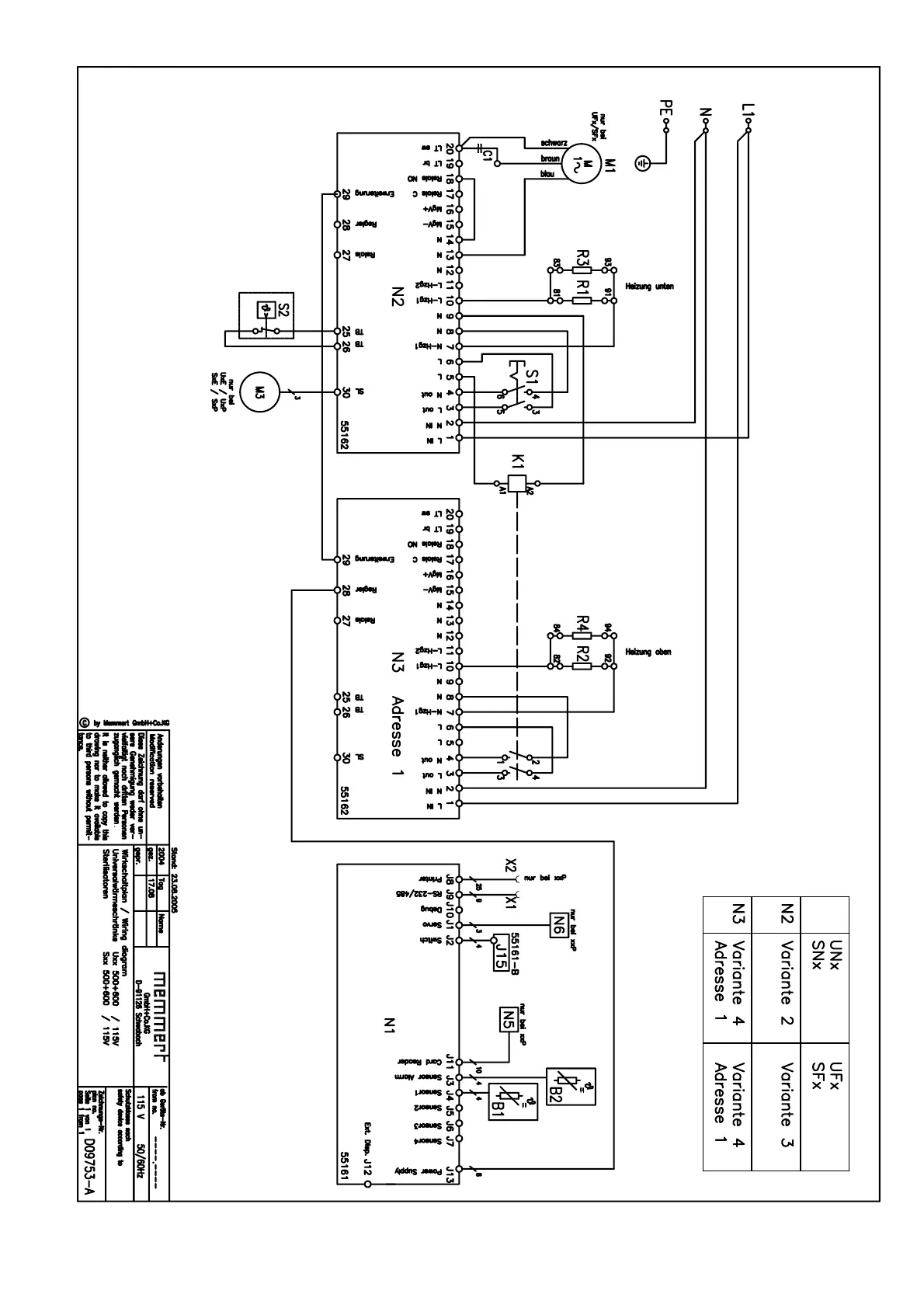
Memmert BASIC - Page 32

Memmert BASIC
36 pages
Print Icon
To Next Page IconTo Next Page
To Next Page IconTo Next Page
To Previous Page IconTo Previous Page
To Previous Page IconTo Previous Page
Loading...
SERVICE - UIS page 32

Related product manuals