EasyManua.ls Logo

Memmert BASIC - Page 33

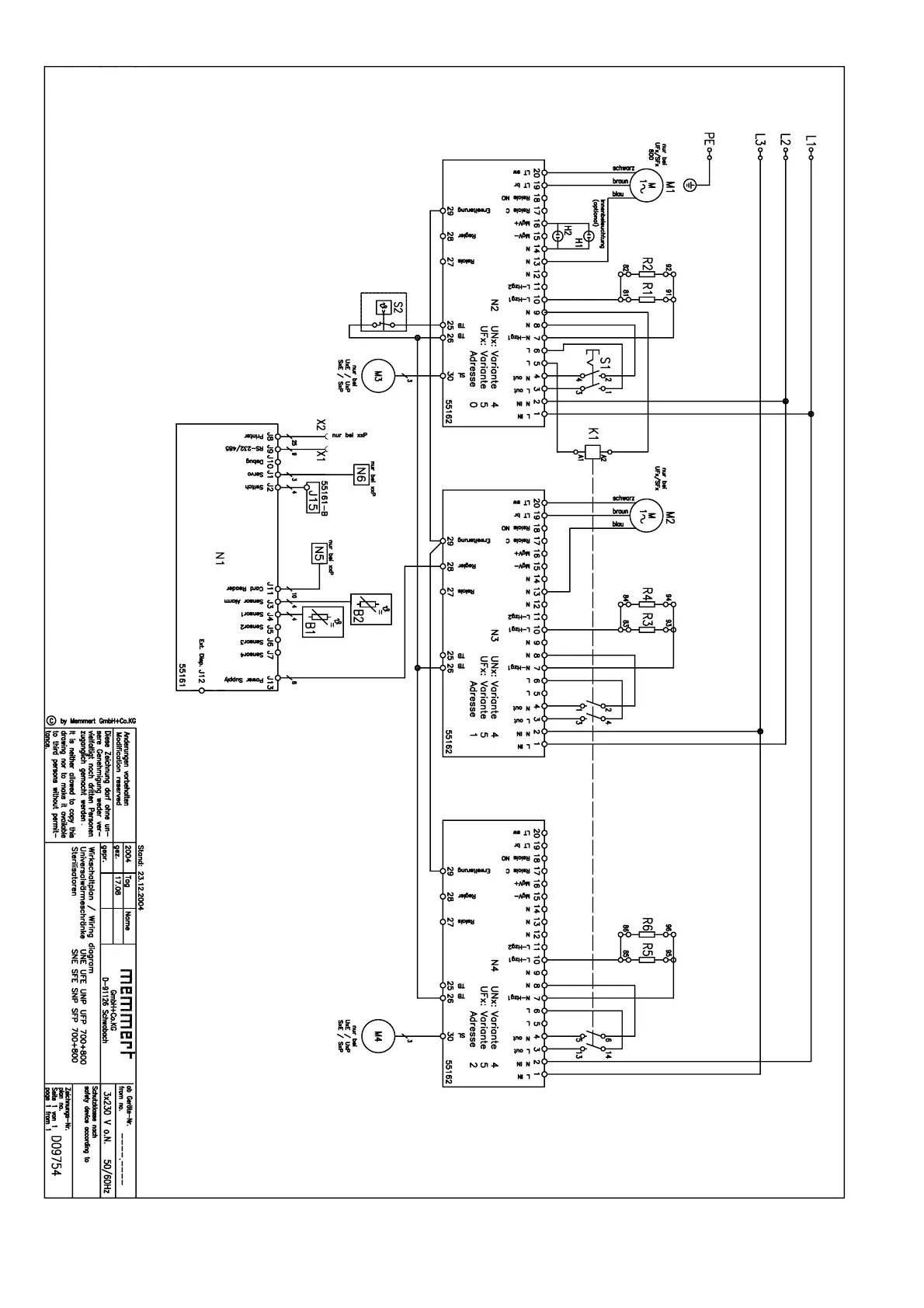
Memmert BASIC
36 pages
Print Icon
To Next Page IconTo Next Page
To Next Page IconTo Next Page
To Previous Page IconTo Previous Page
To Previous Page IconTo Previous Page
Loading...
SERVICE - UISpage 33

Related product manuals