EasyManua.ls Logo

Mercury 20 EFI FourStroke - Remote Control Components

Mercury 20 EFI FourStroke
406 pages
Print Icon
To Next Page IconTo Next Page
To Next Page IconTo Next Page
To Previous Page IconTo Previous Page
To Previous Page IconTo Previous Page
Loading...
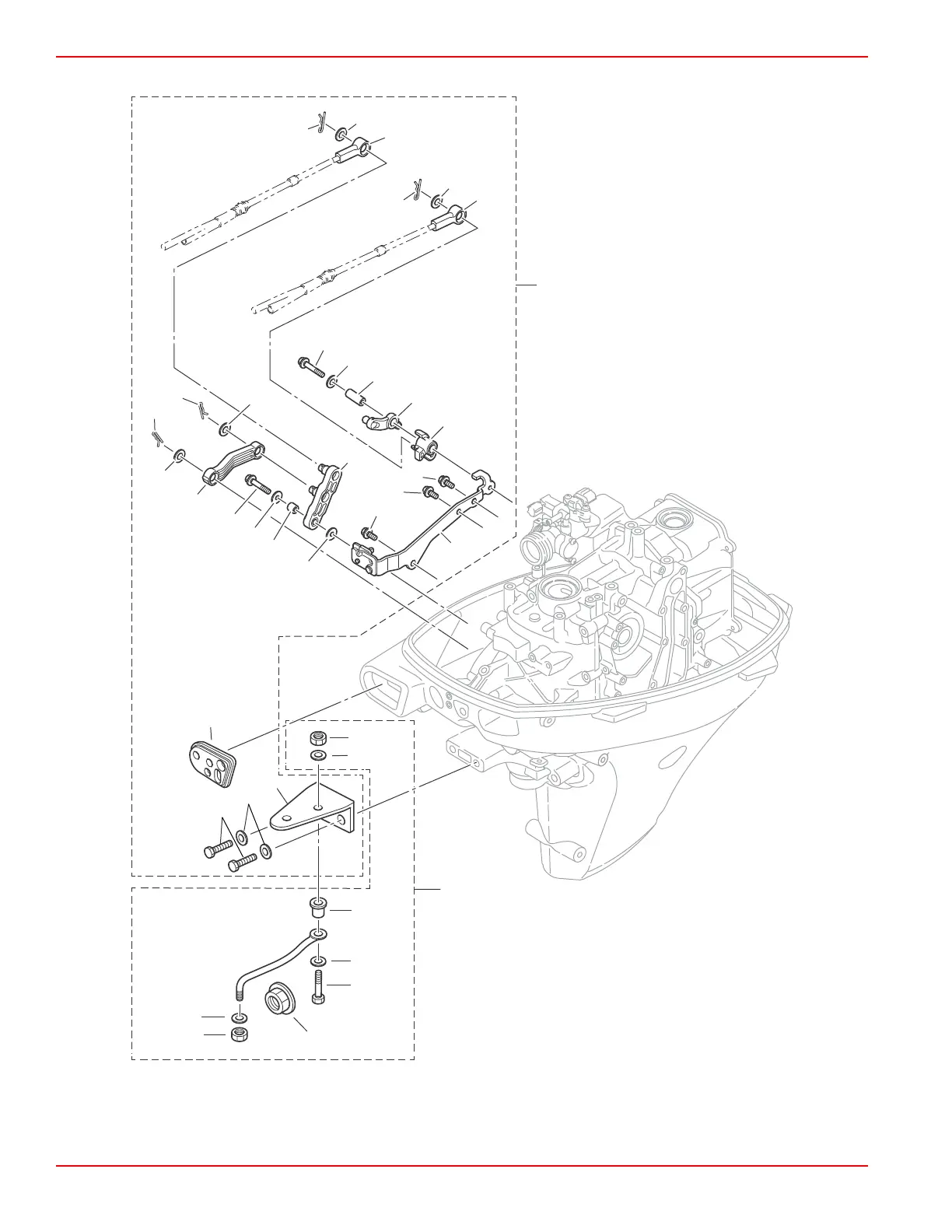
Remote Control Components
64681
7
1
2
5
3
6
5
4
5
9
27
28
29
8
12
13
15
12
13
15
26
19
25
24
23
11
11
11
10
18
17
18
20
21
16
14
14
22
22
Throttle and Shift Linkage
Page 7A-6 © 2018 Mercury Marine 90-8M0125265 eng NOVEMBER 2017

Table of Contents

Related product manuals