EasyManua.ls Logo

Mercury 4 SERIES - Cylinder Block

Mercury 4 SERIES
260 pages
Print Icon
To Next Page IconTo Next Page
To Next Page IconTo Next Page
To Previous Page IconTo Previous Page
To Previous Page IconTo Previous Page
Loading...
1
2
3
4
5
6
7
8
11
12
13
14
15
16
17
19
20
21
22
23
24
25
26
18
15
12
1
9
10
110
110
110
110
4 Cycle Oil (92-828000A12)
110
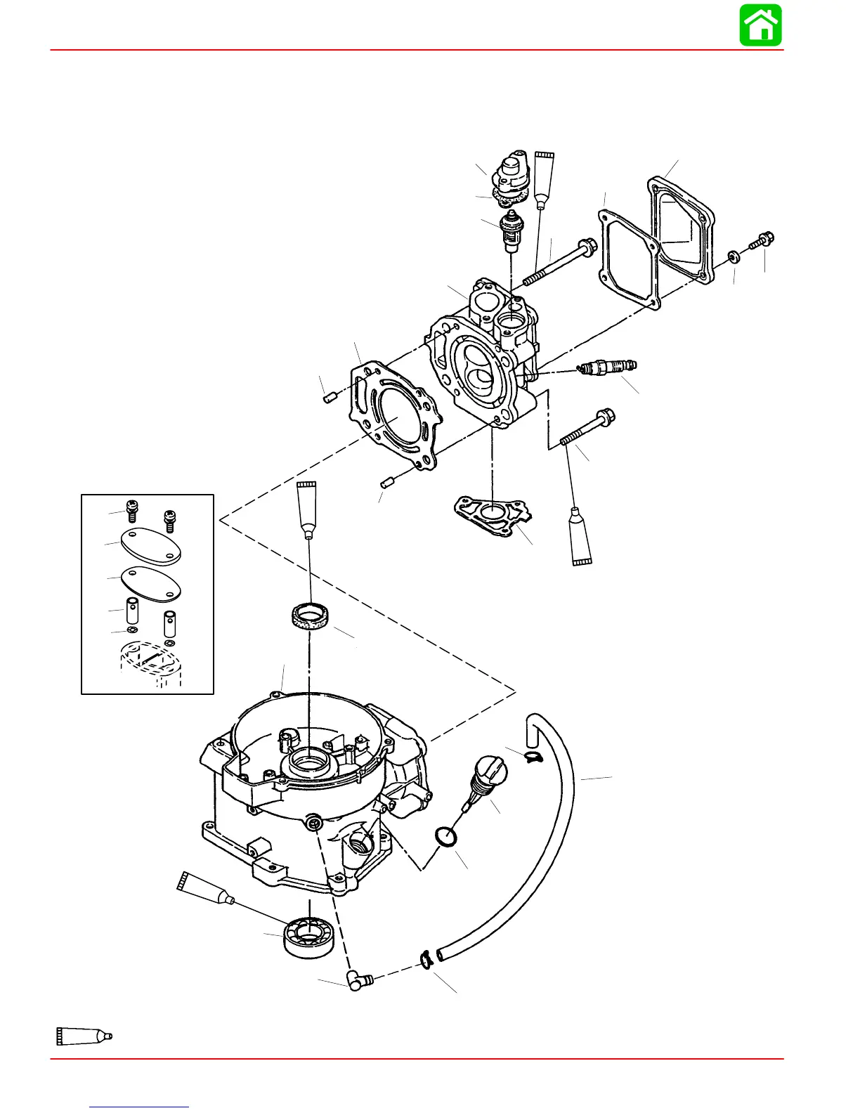
CYLINDER HEAD
Page 4A-4 90-857138R1 MAY 2000
Cylinder Block

Table of Contents

Related product manuals