EasyManua.ls Logo

Mercury Optimax 150 - Air Handler Components

Mercury Optimax 150
522 pages
Print Icon
To Next Page IconTo Next Page
To Next Page IconTo Next Page
To Previous Page IconTo Previous Page
To Previous Page IconTo Previous Page
Loading...
DIRECT FUEL INJECTION
Page 3B-8 90-855347R1 JANUARY 1999
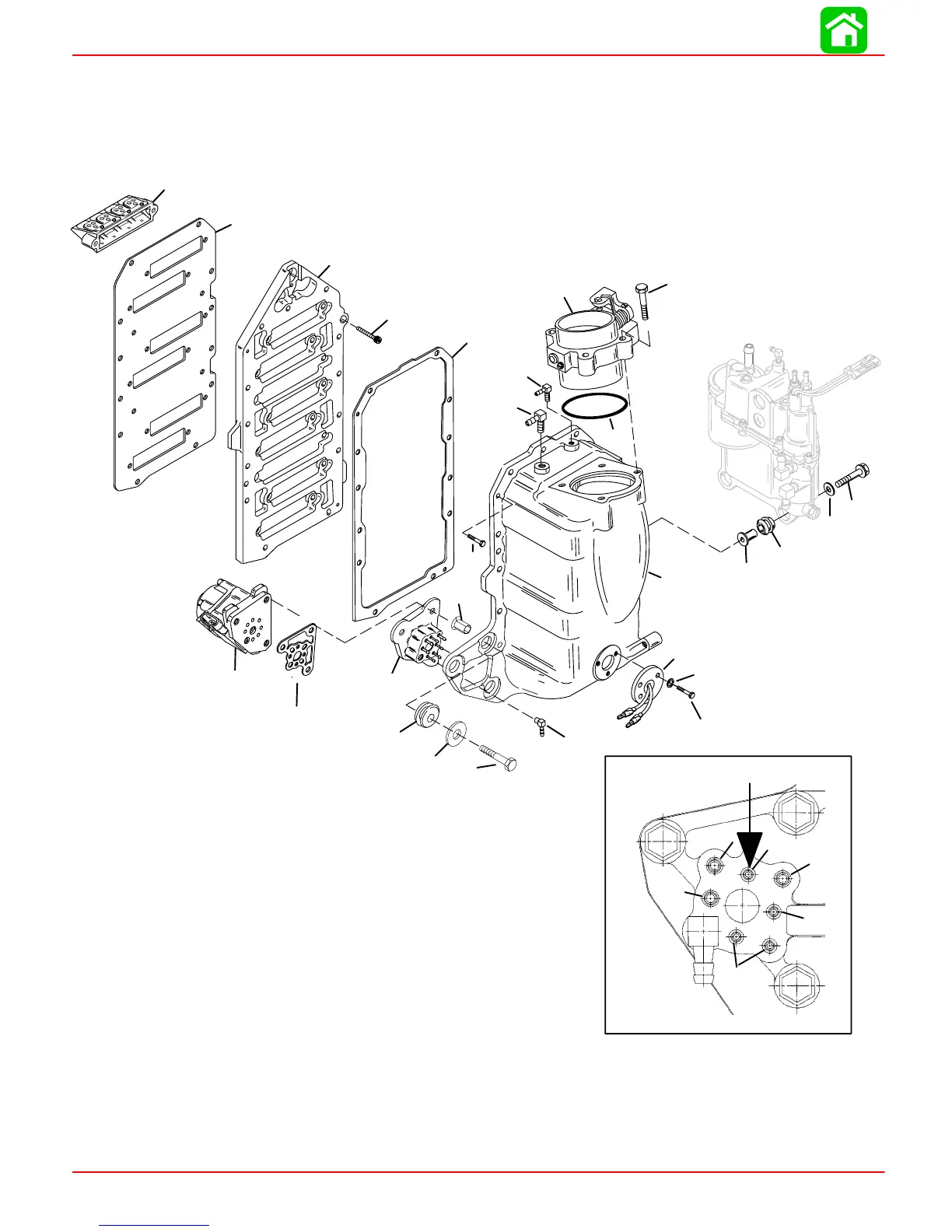
Air Handler Components
1
4
2
3
5
6
7
8
13
14
15
16
9
10
17
19
20
21
22
23
25
26
27
15
14
13
9
9
10
18
24
A
11
12
16
A = OIL LINE TO COMPRESSOR

Table of Contents

Related product manuals