EasyManua.ls Logo

Metos CHEF 220 - Page 41

Metos CHEF 220
90 pages
Print Icon
To Next Page IconTo Next Page
To Next Page IconTo Next Page
To Previous Page IconTo Previous Page
To Previous Page IconTo Previous Page
Loading...
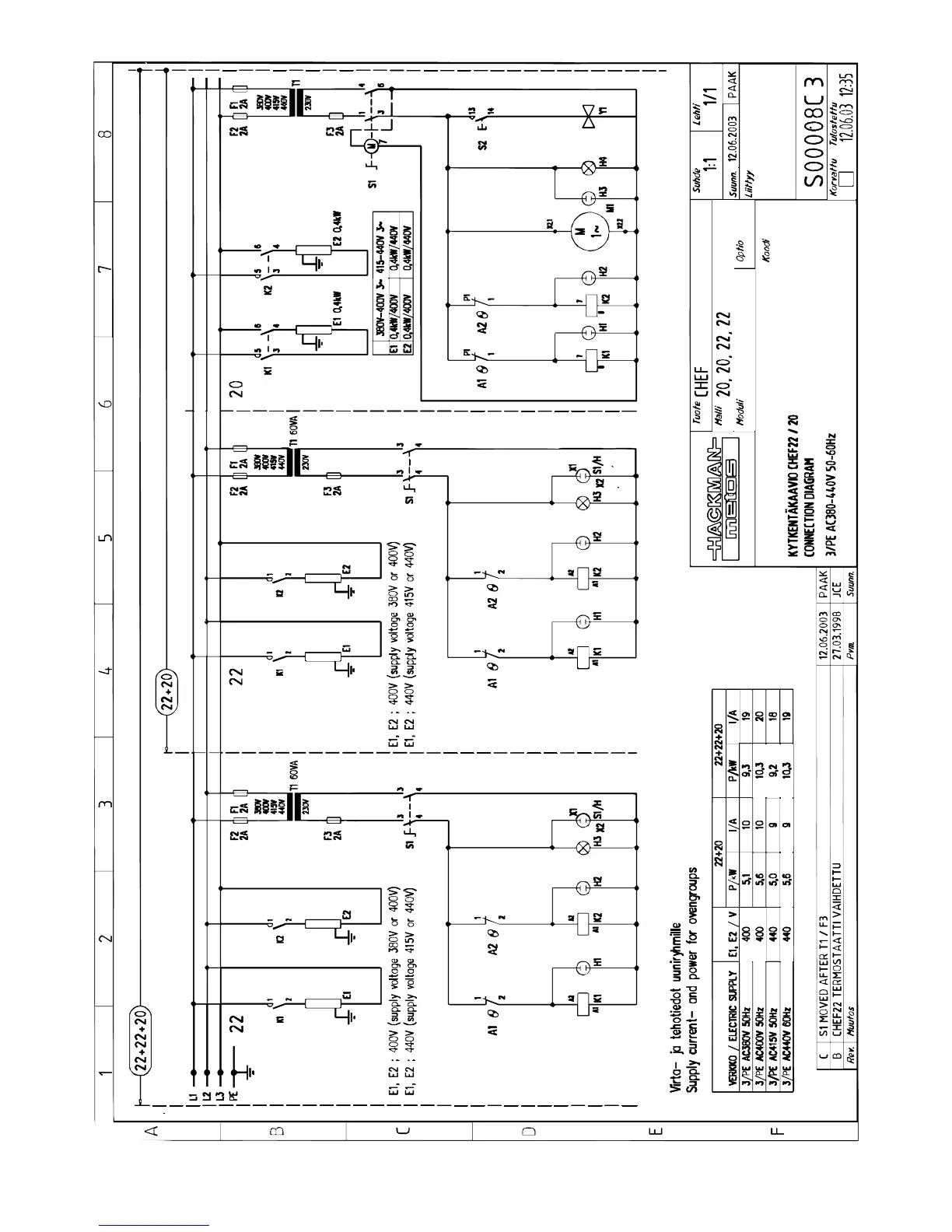
Connection diagram S00008 C3

Table of Contents

Related product manuals