EasyManua.ls Logo

Metos CHEF 220 - Page 86

Metos CHEF 220
90 pages
Print Icon
To Next Page IconTo Next Page
To Next Page IconTo Next Page
To Previous Page IconTo Previous Page
To Previous Page IconTo Previous Page
Loading...
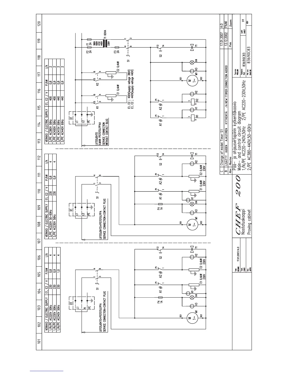
Main and control circuit 83690 C83

Table of Contents

Related product manuals