EasyManua.ls Logo

Midas VeniceU16 - Ground Referenced Connections

Midas VeniceU16
122 pages
Print Icon
To Next Page IconTo Next Page
To Next Page IconTo Next Page
To Previous Page IconTo Previous Page
To Previous Page IconTo Previous Page
Loading...
Ground referenced connections 103
VeniceU
Operator Manual
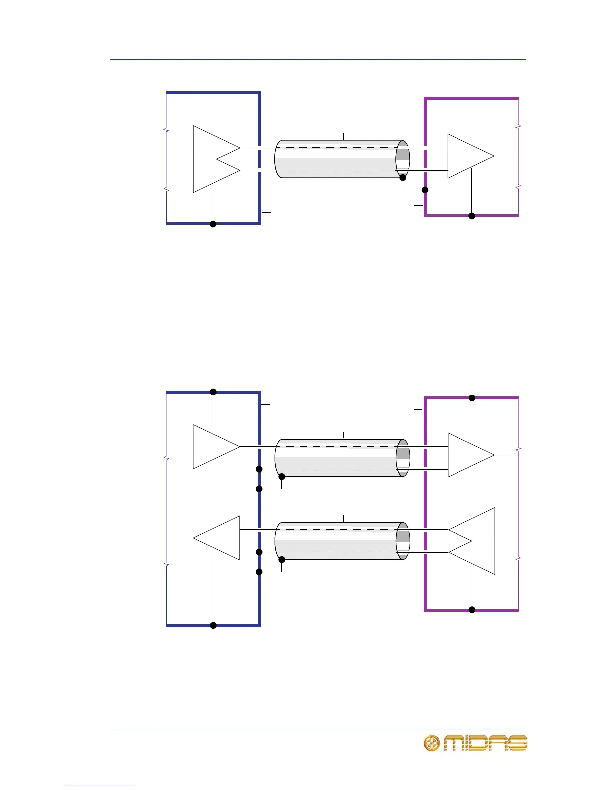
Screen termination diagram showing screen broken at source
Ground referenced connections
Many unbalanced signals are passed between pieces of equipment where one of the
devices is balanced and the other is not. By careful wiring using two-core cable with an
overall screen, it is possible to convert this connection so that it operates in a similar
way to a balanced system, with a ground reference that is not corrupted by ground loop
currents in the shield. One conductor carries the signal from the unbalanced device to
the hot connection on the balanced unit, while the other conductor carries the ground
as a reference from the unbalanced device to the cold connection on the balanced unit.
The screen is connected at the unbalanced end only. This referenced connection works
for balanced to unbalanced and vice versa.
Ground referenced insert wiring diagram. For a typical example of how to wire a
ground referenced insert, see Figure 1 on page 15; the example above shows the
screen connection at the other end because it is more practical, as it reduces the wiring
complexity within the 1/4” TRS Jack connector.
To save space and cost, as is typical for consoles at this point in the market, all inserts
on the VeniceU are unbalanced, with send and return on the same jack. When
Chassis
Chassis
Source
Destination
+
-
+
-
Screen
+
-
Screen
Chassis
Chassis
Source Destination
+
-
Screen

Table of Contents

Other manuals for Midas VeniceU16

Related product manuals