EasyManua.ls Logo

Midas VeniceU16 - Stereo Input Module

Midas VeniceU16
122 pages
Print Icon
To Next Page IconTo Next Page
To Next Page IconTo Next Page
To Previous Page IconTo Previous Page
To Previous Page IconTo Previous Page
Loading...
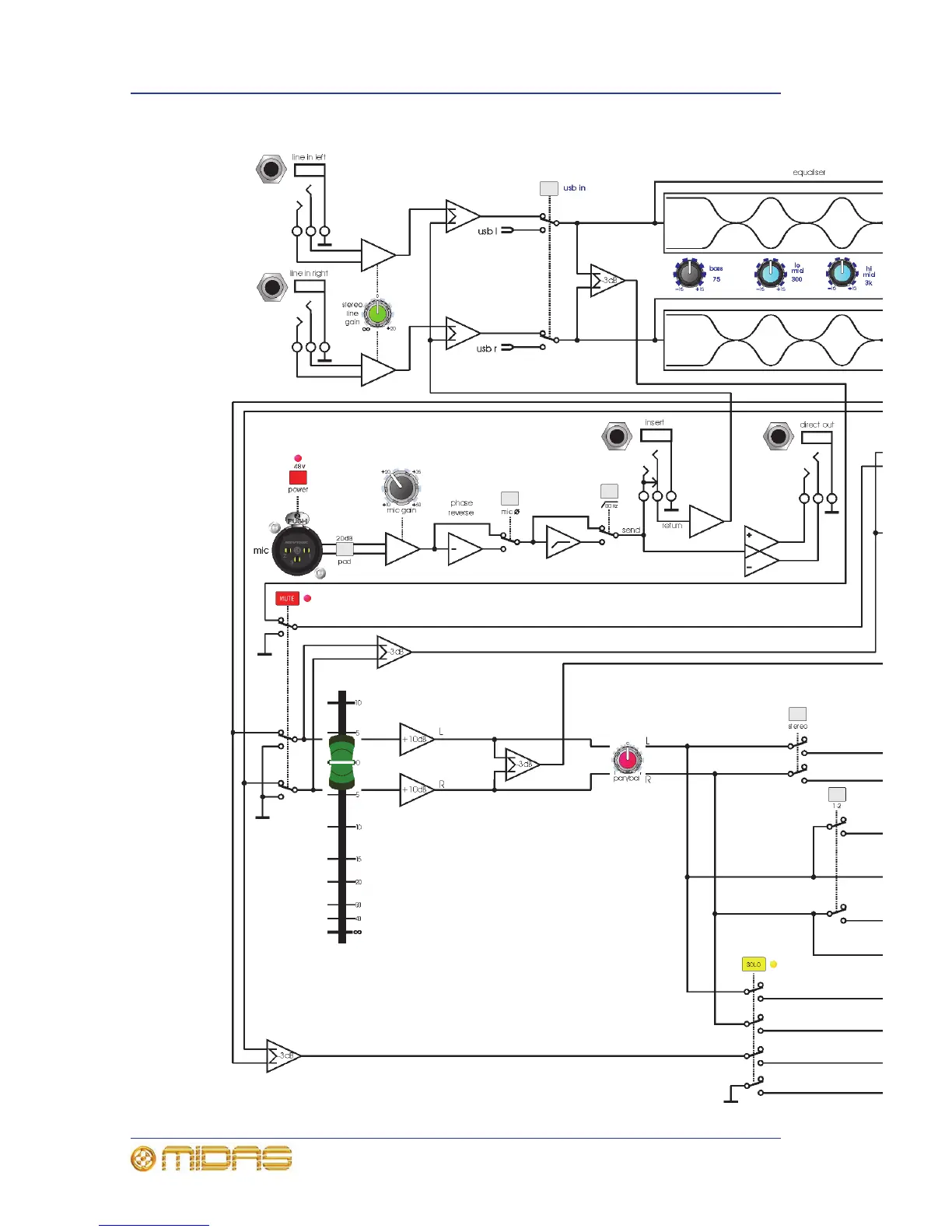
78 Appendix A: Functional Block Diagrams
VeniceU
Operator Manual
Stereo input module

Table of Contents

Other manuals for Midas VeniceU16

Related product manuals