EasyManua.ls Logo

Midas VeniceU16 - Page 91

Midas VeniceU16
122 pages
Print Icon
To Next Page IconTo Next Page
To Next Page IconTo Next Page
To Previous Page IconTo Previous Page
To Previous Page IconTo Previous Page
Loading...
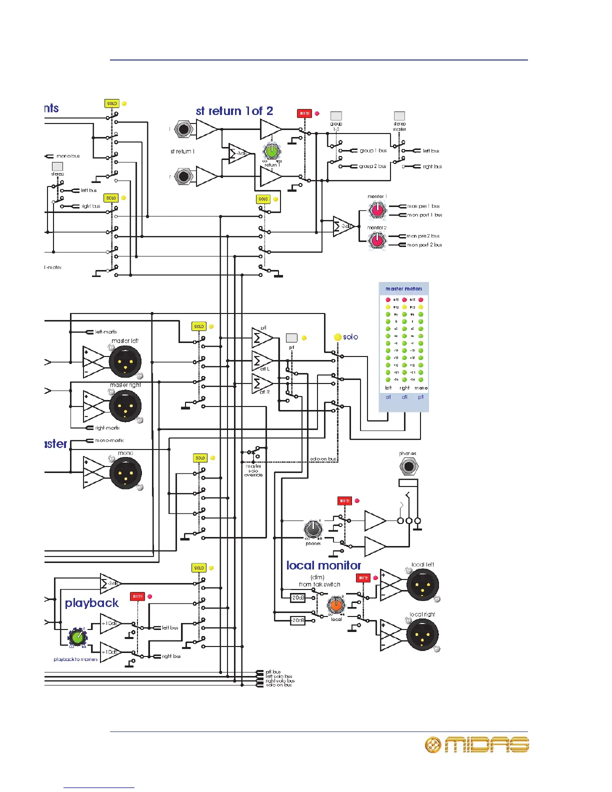
Master and monitor modules 81
VeniceU
Operator Manual

Table of Contents

Other manuals for Midas VeniceU16

Related product manuals