EasyManua.ls Logo

Midea LSBLG365/MCFN

Midea LSBLG365/MCFN
97 pages
To Next Page IconTo Next Page
To Next Page IconTo Next Page
To Previous Page IconTo Previous Page
To Previous Page IconTo Previous Page
Loading...
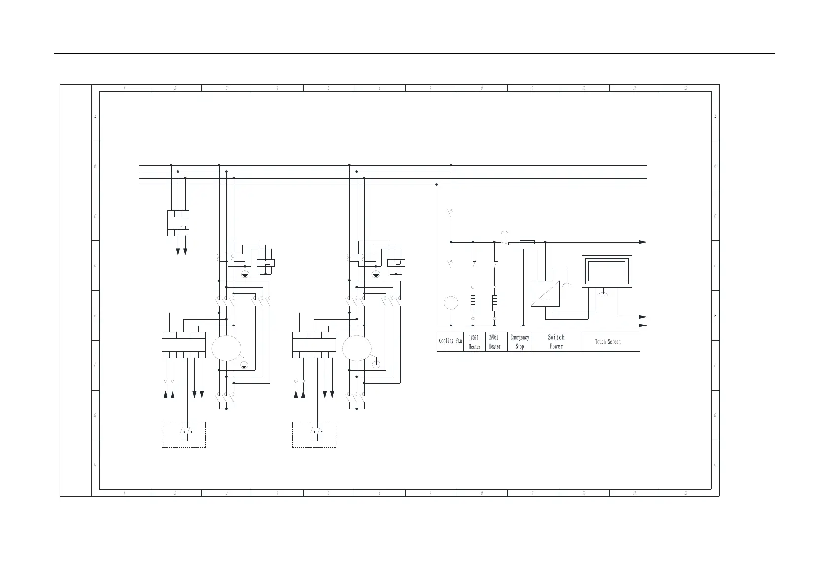
Flooded type water cooled screw chiller (PCB Control) MCAC-CTSM-2012-11
90
LSBLG825-1500/MCFN
24V
220V
M
3~
M
HMI
L
N
+V
-V
24V
0V
JTX-A
M
3~
L1 L2 L3
L
N S1S2M1M2
FG
L1 L2
L3
12 11
14
KR
L1
L2
L3
N
1TA1
1TA2
1FR
1KM1
1KM3
1KM2
2TA1
2TA2
2KM1
2KM3
2KM2
2FR
1U
1V
1W
1Y
1X
1Z
2U
2V
2W
2Y
2X
2Z
QF1
QF2
1KM1 2KM1
SB
FU1
UR1
L11 L13 L15
103
105
24V
0V
1/G2
4/F2
1/G2
3/B7
X:33
X:34
L15
N
202
222
X:30
X:29
X:31
X:32
N
1/C11
1/E11
JTX-A
L1 L2 L3
L
N S1S2M1M2
X:33
X:34
L15
N
202
236
1/C11
1/E11
1EH 2EHEV
2/B2
2/E2
1
3
5
7
9
11
1ST1 1ST2 1ST1 1ST2
3/B7
3/B10
3/B10
232202
3/B9
3/B9
1/G4
1/G4
1SF
2SF
101
RS485 Communication

Related product manuals