EasyManua.ls Logo

Miller Welding - Parts List

Miller Welding
32 pages
Print Icon
To Next Page IconTo Next Page
To Next Page IconTo Next Page
To Previous Page IconTo Previous Page
To Previous Page IconTo Previous Page
Loading...
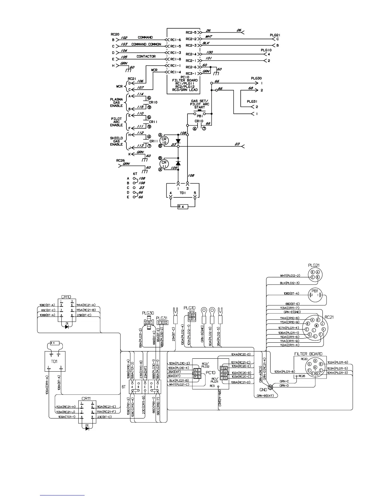
OM-169 510 Page 22
SB-169 458
Figure 5-2. Circuit Diagram For Robot PAW Interface Panel
SB-169 459-A
Figure 5-3. Wiring Diagram For Robot PAW Interface Panel

Table of Contents

Related product manuals