EasyManua.ls Logo

Miller Welding - Circuit Diagram for High-Frequency Filter; Wiring Diagram for High-Frequency Filter

Miller Welding
32 pages
Print Icon
To Next Page IconTo Next Page
To Next Page IconTo Next Page
To Previous Page IconTo Previous Page
To Previous Page IconTo Previous Page
Loading...
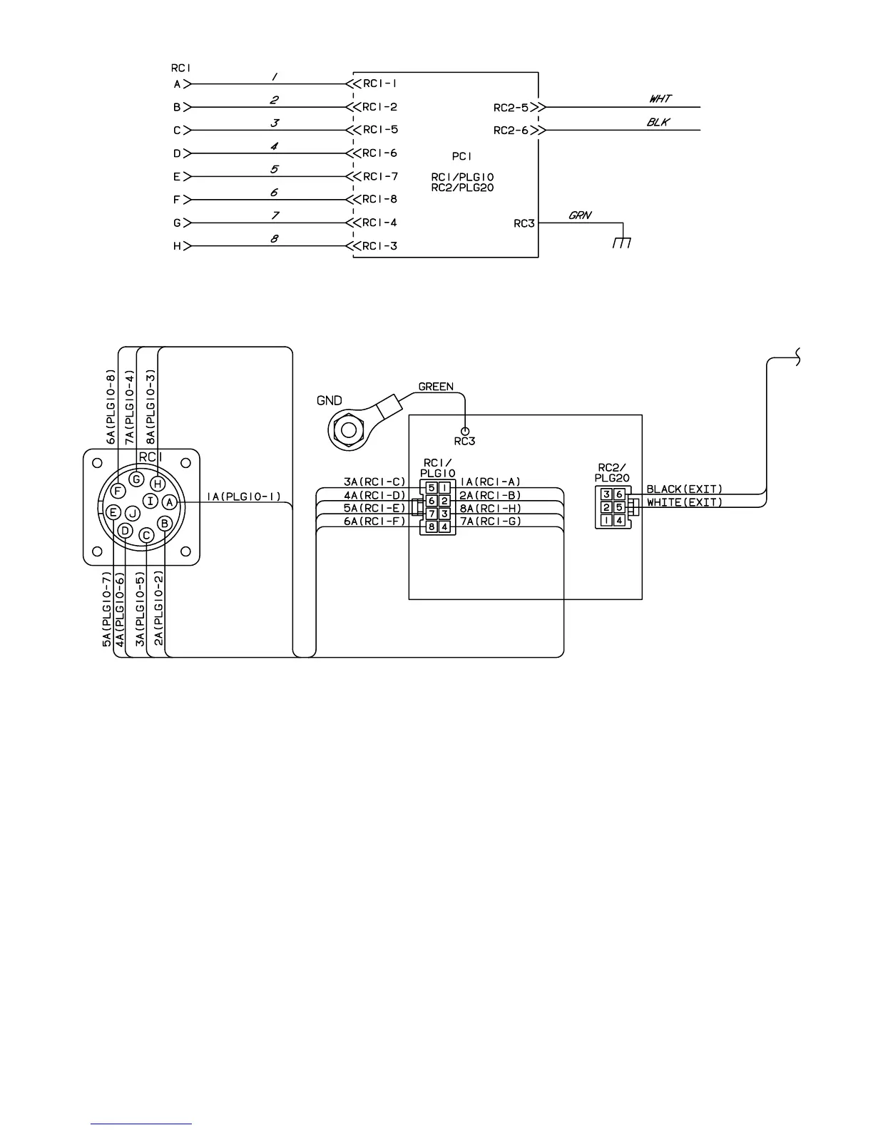
OM-169 510 Page 23
SA-146 608-A
Figure 5-4. Circuit Diagram For High-Frequency Filter
SA-146 609-B
Figure 5-5. Wiring Diagram For High-Frequency Filter

Table of Contents

Related product manuals