EasyManua.ls Logo

MINERVA OMEGA C/E 652 - Page 49

Default Icon
66 pages
Print Icon
To Next Page IconTo Next Page
To Next Page IconTo Next Page
To Previous Page IconTo Previous Page
To Previous Page IconTo Previous Page
Loading...
49
HAM11-001 - rev. 02-08-03-13
POS. ARCH.:
1
2
3 6
7
4 5
8
A
B
C
D
E
F
A
B
C
D
E
F
DENOMINAZIONE:
DESCRIZIONE:
MODIFICHE:
DATA:
PROPRIETA’ INTERNA - RIPRODUZIONE VIETATA
DISEGNO N°:
DISEGNATORE:
NOTE:
FOGLIO:
02/06/97
A.S.C.
2 DI 2
C/E 652 Lar.
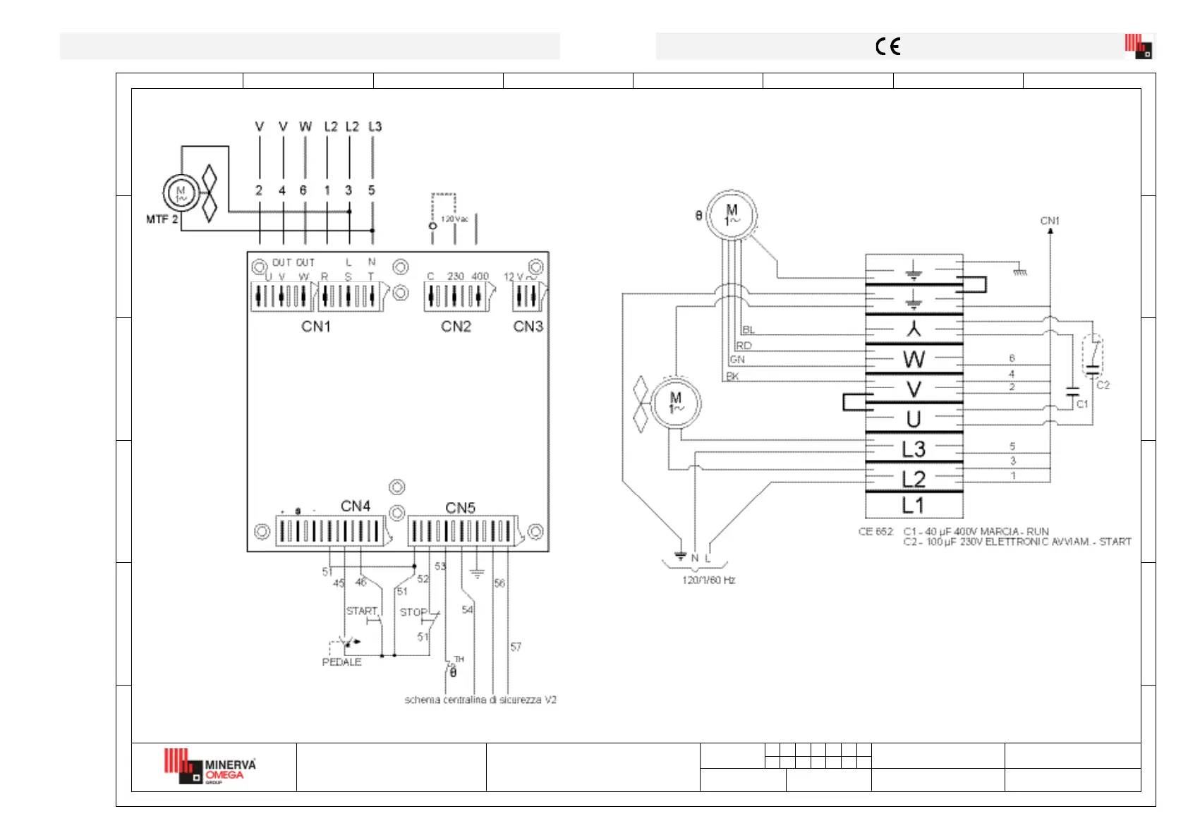
SCHEMA ELETTRICO MONOFASE 120V
Schema elettrico monofase (120/1) / Mono-phase wiring diagram / Schéma éléctrique monofasée
Monophasenschaltplan /
Enfas kopplingsschema
C/E652

Related product manuals