EasyManua.ls Logo

Motorola CDM Series - Page 107

Motorola CDM Series
686 pages
To Next Page IconTo Next Page
To Next Page IconTo Next Page
To Previous Page IconTo Previous Page
To Previous Page IconTo Previous Page
Loading...
Controller T6/T7/T9 Schematics and Parts Lists Section 3: 3-27
6881091C63-F
4
0
18
100pF
C0104
NU
C0102
100pF
NU
12
0
NU
4.7K
R0171
NU
R0110
10K
NU
18
NU
0.1uF
100pF
NU
NU
R0102
4.7K
NU
R0182
NU
8
16
R0106
0
Used in
prime
only
NU
GP3_IN
GP8_IN
PE6
VOX
LSIO
GP7_IN
HC138_A0
REF_CS
HC138_A2
GP1_IN
GP8_OUT
SQ_DET
HC138_A1
FLASH ROM
SYN
HC138_A2
GP2_OUT
LSIO
MICROPROCESSOR
DATA
MISO
F1200
GP4_IN
EEPROM
DATA
EE_CS
VS_CS
EXP1_CS
GP1_IN
CLK
CSX
GP5_IN
GP4_OUT
GP7_OUT
GP7_IN
CLK
GP5_IN
32kx8bit
OPT_CS
LVZIF_CS
16Kx8bit
GP4_OUT
GP7_OUT
(EXT_BD_PTT & DATA_PTT)
EE_CS
HC138_A0
GP3_IN
GP8_IN
512kx8bit
RAM
GP6_IN
GP6_IN
MISO
EXP2_CS
GP4_OUT
GP7_OUT
HSIO
GP4_IN
ON_OFF_SENSE
GP8_OUT
CHACT
HC138_A1
HSIO
10K
R0172
6
2
10K
R0175
7
R0111
10K
R0115
10
1
0
C0101
7
9
100pF
0
1000pF
C0107
R0114
10K
R0104
10K
10K
R0170
4
10
5
11
0
47K
R0179
R0116
0.1uF
C0141
7
7
R0152
24K
R0132
330K
9
Y6
7
Y7
12
3
8
GND
16
VCC
15
Y0
14
Y1
13
Y2
12
Y3
11
Y4
10
Y5
MC74HC138A
U0141
1
A0
2
A1
3
A2
6
EN_CS1
4
EN_CS2
5
EN_CS3
5
12
TP0102
6
6
10
2
6
R0185
4.7K
IO4
15
IO5
16
IO6
17
IO7
18
IO8
19
VCC
28
8
A9
24
EN_CS
20
EN_OE
22
EN_WE
27
14
GND
IO1
11
IO2
12
IO3
13
A14
1
A2
8
A3
7
A4
6
5
A5
A6
4
A7
3
A8
25
A0
10
A1
9
21
A10
A11
23
A12
2
A13
26
11
6
U0122
63A21
8
6
6
9
Q0181
VSSL
40
VSSR
87
93
XFC
XIRQ
48
XTAL
91
RESET
94
VDD
12
VDDL
39
VDDR
88
VDDSYN
92
VRH
69
VRL
68
VSS
13
PJ0_CSGP3
71
PJ1_CSGP4
72
PJ2
73
PJ3
74
PJ4
75
PJ5
76
PJ6
77
PJ7
78
56
PI1
55
PI2
54
PI3
53
PI4
52
PI5
51
PI6
50
PI7
49
PH0_PW1
47
PH1_PW2
46
PH2_PW3
45
PH3_PW4
44
PH4_CSIO
43
PH5_CSGP1
42
PH6_CSGP2
41
PH7_CSPROG
38
PI0
PG0_XA13
6
PG1_XA14
16
PG2_XA15
20
PG3_XA16
19
PG4_XA17
17
PG5_XA18
18
PG6_AS
5
PG7_R_W
4
PF1_ADDR1
28
PF2_ADDR2
27
PF3_ADDR3
26
PF4_ADDR4
25
PF5_ADDR5
24
PF6_ADDR6
23
PF7_ADDR7
22
PFO_ADDR0
29
67
PE0_AN0
66
PE1_AN1
65
PE2_AN2
64
PE3_AN3
63
PE4_AN4
62
PE5_AN5
61
PE6_AN6
60
PE7_AN7
PC7_DATA7
37
PD0_RXD
97
PD1_TXD
98
PD2_MISO
99
PD3_MOSI
100
PD4_SCK
1
PD5_SS
2
3
PD6_LVIN
PBO_ADDR8
14
PC0_DATA0
30
PC1_DATA1
31
PC2_DATA2
32
PC3_DATA3
33
PC4_DATA4
34
PC5_DATA5
35
PC6_DATA6
36
PA7_PA1_OC1
86
PB1_ADDR9
10
PB2_ADDR10
11
PB3_ADDR11
9
PB4_ADDR12
21
PB5_ADDR13
15
PB6_ADDR14
8
PB7_ADDR15
7
MODB_VSTBY
57
PA0_IC3
79
PA1_IC2
80
PA2_IC1
81
PA3_IC4_OC5_OC1
82
PA4_OC4_OC1
83
PA5_OC3_OC1
84
PA6_OC2_OC1
85
AVDD
59
AVSS
70
ECLK
89
EXTAL
90
IRQ
96
95
LVOUT
MODA_LIR
58
MC68HC11FL0
U0101
47K
R0184
10K
R0174
22pF
C0132
0
Q0185
7
HOLD
6
SCK
5
SI
2
SO
8
VCC
4
VSS
3
WP
X25128-2.7
U0111
1
CS
.01uF
C0151
1
13
Q0173
C0106
100pF
D0151
R0173
12
2
3
4.7K
1
8
8
4
6
1
1
17
3
2.2K
R0108
10
1
4
5
7
TP0151
C0121
0.1uF
0.1uF
C0122
TP0103
8
1
10
3
2
2
3
11
4.7K
1
11
12
3
1
R0183
10K
R0113
R0151
24K
0
3
0
13
4
8
D0179
2
6
17
9
10K
R0101
5
7
TP0101
3
Q0110
47K
R0107
7
4.7K
R0177
99
100K
Used in
standard
only
R0105
4
2
7
10
100pF
C0105
4
D0101
3.9K
R0117
5
14
13
16
5
C0123
7
2
5
C0112
Q0151
28
IO6
29
IO7
VCC
8
2
0
3
7
EN_WE
GND
24
IO0
21
22
IO1
23
IO2
25
IO3
26
IO4
27
IO5
16
A4
A5
15
A6
14
13
A7
3
A8
2
A9
30
EN_CE
32
EN_OE
A13
4
5
A14
A15
11
10
A16
6
A17
9
A18
18
A2
17
A3
AT49F040
U0121
20
A0
19
A1
31
A10
1
A11
12
A12
4
5
3
1
13
6
13
2
NC1
3
OUT
4
IN
1
9
0
6
38.40KHz
Y0131
XTAL
NC
R0112
0
47K
4.7K
R0181
4
3
R0178
5
47K
10MEG
R0131
100pF
C0111
100pF
C0103
22pF
C0131
15
9
7
VR0151
5.6V
14
TP0104
Q0183
15
14
4
5
0
2
Q0171
100K
R0121
Q0177
10
47K
R0186
R0176
30K
R_W
RAM_CS
BUS+
CNTLVLTG
5VD
SCI_TX
GP1_IN_ACC3
GP6_IN_ACC10
GP2_OUT_ACC4
R_W
FLASH_CE
FLASH_OE
5VD
IRQ
IRQ
ADDR_BUS(0:18)
DATA_BUS(0:7)
0
FROM_U0101_47
VS_RAC
5VD
VS_INT
GP4_IN_OUT_ACC8
5VD
BOOT_CNTRL
GP3_IN_ACC6
5VD
ON_OFF_CONTROL
5VD
5VD
5VD
RESET
RESET
5VD
OPT_PTT
5VD
GP5_IN_ACC9
5VD
SPI(0:10)
SPI(0:10) SPI(0:10) SPI(0:10) SPI(0:10)
GPIO(0:13)
GPIO(0:13)
CNTLR_AUDIO(0:7) CNTLR_AUDIO(0:7)CNTLR_AUDIO(0:7)
C
NTLR_AUDIO(0:7)
FROM_U0101_47
FROM_U0101_46
FROM_U0101_46
5VD
5VD
FLT_A+
TEMPSENSE
RAM_CS
5VD
VS_GAINSEL
EXT_BD_REQ
RSSI
5VD
RX_ADAPT
5VD
5VD5VD
FLT_A+ FLT_A+
FLASH_OE
NC_XTAL
ECLK
LOCK
RDY
ON_OFF_CONTROL
GP7_IN_OUT_ACC12
GP8_IN_OUT_ACC14
5VD
5VD
5VD
5VD
FLASH_CE
R_W
VSTBY
5VD
BATTERY_VOLTAGE
NU
10
R0103
C0108
0,1uF
5VDC (0VDC during On/Off pressed
and during head request)
5VDC (0VDC during boot mode)
ZWG0130585-A
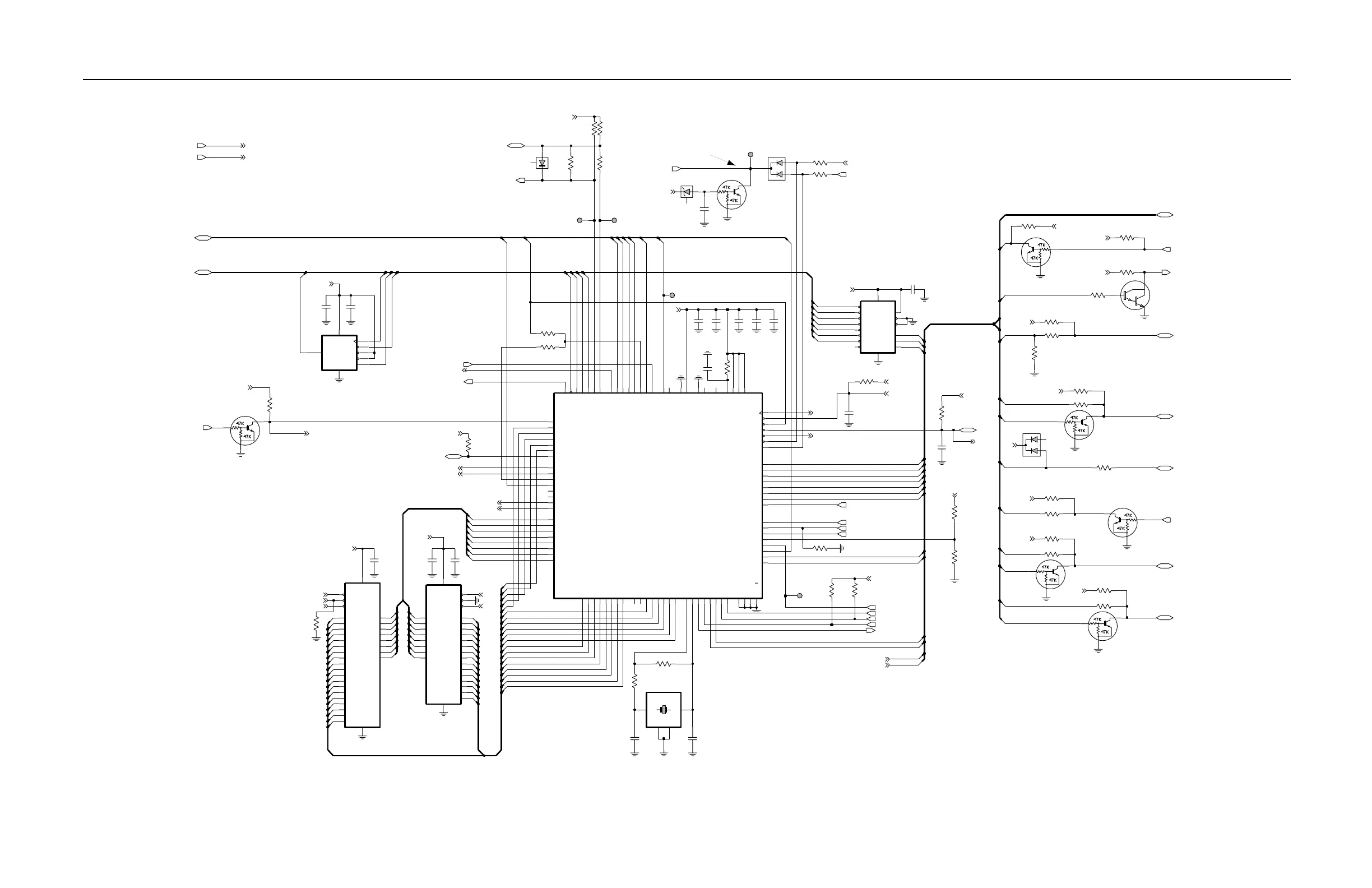
Controller T9 Only Schematic Diagram – Microprocessor

Table of Contents

Other manuals for Motorola CDM Series

Related product manuals