EasyManua.ls Logo

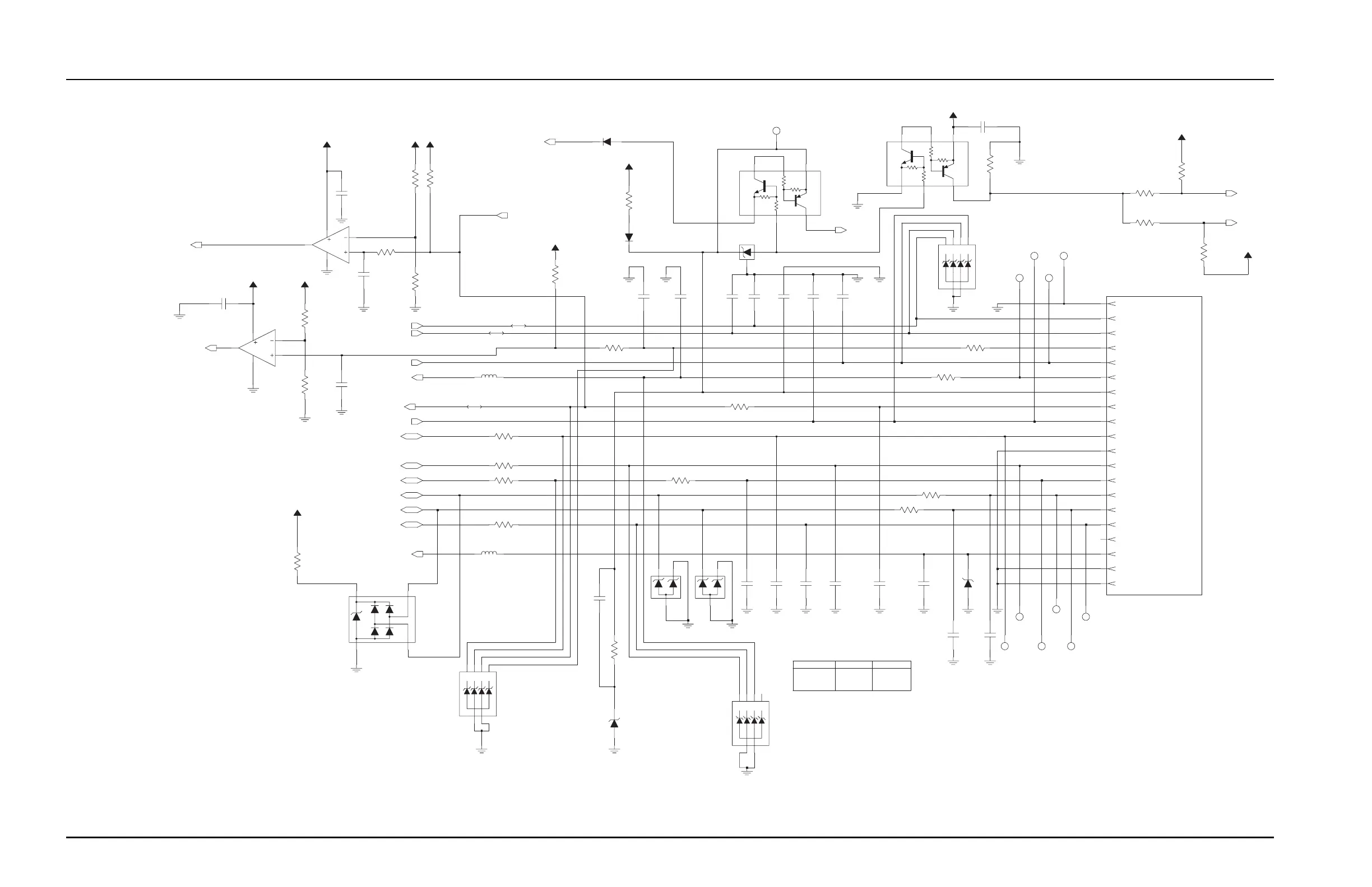
Motorola XTS 2000 - Figure 9.5-5. PMLF4036 B Side Connector Schematic

Motorola XTS 2000
914 pages
To Next Page IconTo Next Page
To Next Page IconTo Next Page
To Previous Page IconTo Previous Page
To Previous Page IconTo Previous Page
Loading...
9.5-6 900MHz Schematics, Board Overlays, and Parts Lists
February 14, 2012 6816985H01-F
Figure 9.5-5. PMLF4036B Side Connector Schematic
1
2
5
LM7301
U601
4
3
OPT_SEL2_IN
V2.9
V2.9
C638
0.1uF
10K
R656
10K
R673
V2.9
R658
150K
C620
0.1uF
R615
100K
EXT_SPKR-
SPKR-
SPKR+
RS232_DI_USB-
EXT_SPKR+
ONE_WIRE_OPT
RS232_DO_USB+
INT_MIC
CTS
RTS
LHDATA_KEYFAIL
LH_BUSY
EXT_MIC
R677
10K
VCC5
330pF
C614
20K
R614
20K
R613
V2.9
0.10uF
C621
4
3
1
2
5
U602
LM7301
V2.9
OPT_SEL1
1
3
2
4
VR678
100
R674
270nH
L652
6
K4
1
K1
3
K2
4
K3
2
A1
5
A2
VR659
5.6V
VR658
13V
1
2
R697
100
0.10uF
C607
VR651
5.6V
VR652
5.6V
USB_D+
1
RTS1
1
BUSY
1
USB_D
1
1
BUS
CTS1
1
DNP
DNP
C867
.011uF
39pF
Band Specific
*C675*
C674
470pF
2
6.8V
VR657
1
33pF
C671
39pF
*C672*
.011uF
33pF
C868
C673C680
33pF
2113944A32700/800 MHz
2113945A58
PART #
39 pF
910 pFVHF
CAP VALUE
100 pF
BAND
BAND SPECIFIC CAPACITOR VALUES
UHF 2113944A40
1
K1
3
K2
4
K3
6
K4
2
5
A2
VR662
5.6V
A1
560
R675
R670
100
100
R669
R671
390
51
R666
390
R667
V2.9
R672
10K
OPT_SEL2_OUT
L651
270nH
Band Specific
*C652*
39pF
39pF
Band Specific
*C653*
39pF
Band Specific
*C655*
Band Specific
*C654*
39pF
39pF
Band Specific
*C656*
39pF
Band Specific
*C658*
39pF
Band Specific
*C657*
2
3
1
VR663
9.1V
12
D662
SW_B+
R668
68
D603
12
VPP_EN
10K
10K
10K
10K
5
2
3
6
4
1
Q698
10K
10K
10K
10K
Q804
1
OPT_B+_VPP
VPP
3
6
4
1
5
2
VR650
12V
K1
K2
K3
K4
V2.9
.01uF
C866
10K
R654
A1
A2
EXT_SP
1
EXTMIC
1
1
GND
EXTSP+
1
NP
NP
0
R634
V2.9
R635
0
10K
R633
V2.9
10K
R636
HAB_MOD
MOD
33
R837
33
R838
R678
100
R608
100
RS232_TX_USB+
NC
GND
RTS_USB_PWR
OPT_SEL1
SPKR_COM
GND
RS232_RX_USB-
OPT_SEL2
INT_SPKR-
INT_SPK+
J650
EXT_MIC
LH_BUSY
GND
LH_DATA_KEYFAIL
CTS
EXT_SPK+
20 PIN CONN
OPT_B+_VPP
INT_MIC
GND
J650-20
J650-16
J650-8
J650-13
J650-19
J650-10
J650-18
J650-15
J650-1
J650-12
J650-14
J650-17
J650-2
J650-11
J650-3
J650-7
J650-9
J650-6
J650-5
J650-4

Table of Contents

Related product manuals