EasyManua.ls Logo

Munters MG50 - Installation Examples; Closed System

Munters MG50
28 pages
Print Icon
To Next Page IconTo Next Page
To Next Page IconTo Next Page
To Previous Page IconTo Previous Page
To Previous Page IconTo Previous Page
Loading...
MG50&MG90
4.6Installationexamples
4.6.1Closedsystem
Theairintheroomiscirculatedthroughthedehumidier.
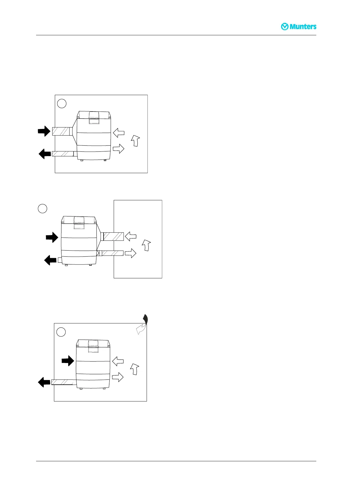
1
Figure4.6Closedsystem,dehumidierlocatedintheroom.
1.Dehumidierlocatedintheroom:
Thewetairoutletisconnectedtoahoseandisthenemittedoutside
theroom(outdoors).Thereactivationairistakenfromtheoutsidevia
ahoseorductconnectedtoaconnectionpiece.
NOTE!Ashorthose(~0.3m)onthedryairoutlet
canimproveaircirculationandeliminatetheriskof
short-circuitingdryairandprocessair.
2
Figure4.7Closedsystem,dehumidierlocated
outsidetheroom.
2.Dehumidierlocatedoutsidetheroom:
Theprocessairistakenfromthedehumidiedroomviaahoseorduct
connectedtoaconnectionpiece.Thedryairisemittedintotheroom
throughahoseconnectedtoaconnectionpiece.
3
Figure4.8Closedsystem,dehumidierlocatedintheroom.
3.Dehumidierlocatedintheroom:
Thewetairoutletisconnectedtoahoseandthewetairisemitted
outsideoftheroom(outdoors).Thereactivationairistakenfromthe
dehumidiedroom.
Thedehumidicationcapacitybecomes2/3ofthatindicatedinthe
diagram,seechapter8.2,Capacitydiagrams.
NOTE!Ashorthose(~0.3m)onthedryairoutlet
canimproveaircirculationandeliminatetheriskof
short-circuitingdryairandprocessair.
190TGB-1004–N1402Installation10

Related product manuals