EasyManua.ls Logo

Nabco GYRO TECH Nabco Multi-Module - Mode 5 - Acugard Lock-Out Relay Diagram - Magnum 4 Control

Nabco GYRO TECH Nabco Multi-Module
21 pages
Print Icon
To Next Page IconTo Next Page
To Next Page IconTo Next Page
To Previous Page IconTo Previous Page
To Previous Page IconTo Previous Page
Loading...
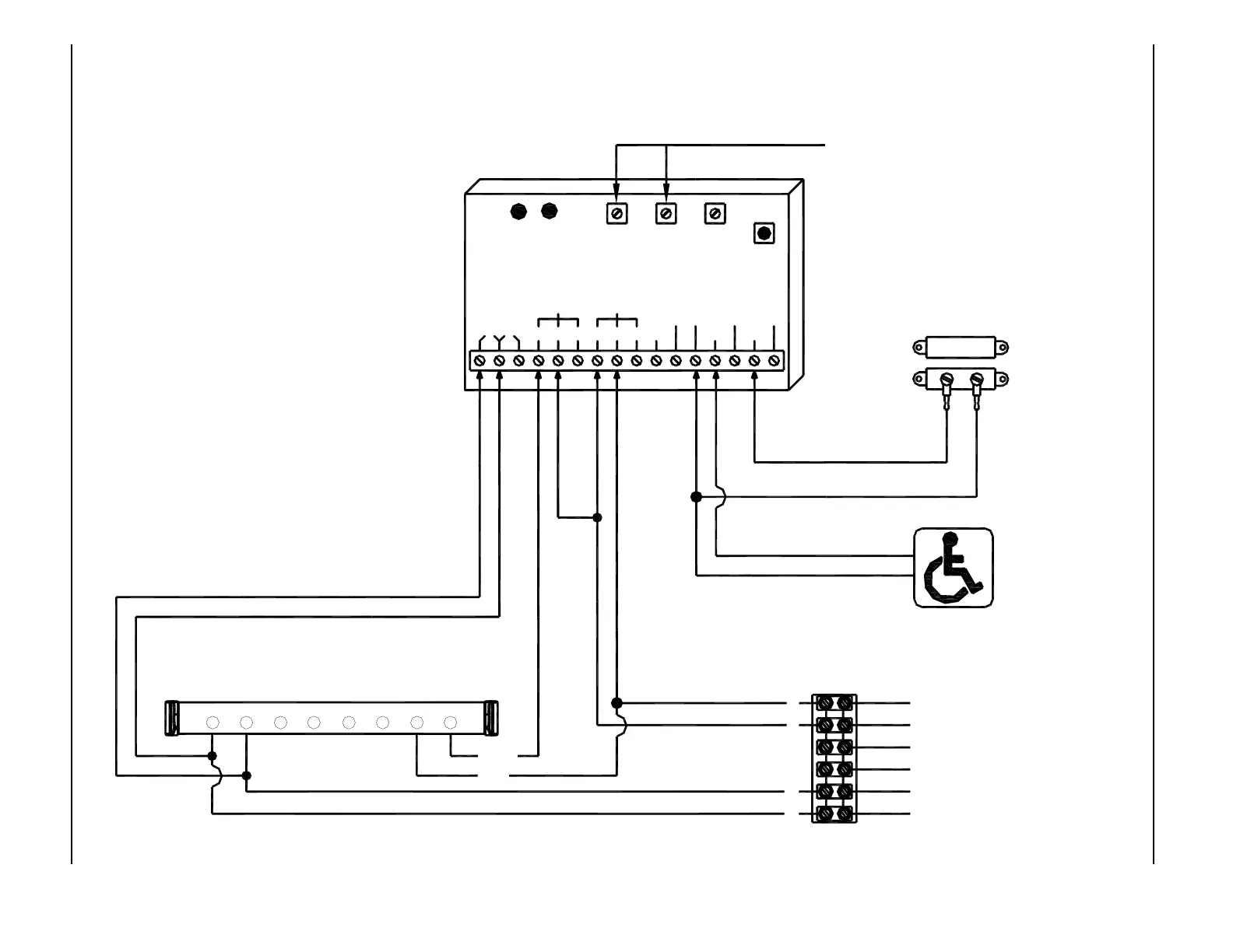
Page 17 www.NabcoEntrances.com 5-7-10
Nabco Multi-Module
MODE 5 - ACUGARD LOCK OUT RELAY DIAGRAM - MAGNUM 4 CONTROL
6
5
4
3
2
1
ORANGE
VIOLET
WHITE
RED
BLACK
BROWN
Terminal Strip on Magnum Control
DN 0302
SW 1
MODE
SWITCH
RELAY 2
ON TIME
DOO
(DELAY
ON
OPERATE)
RELAY 2
RELAY 1
ON TIME
RL1 RL2
LEDLED
24V 12V
N.O. COM N.C. N.C.COMN.O. WET1
WET
COM COM
DRY
DRY1 DRY2
WET2 WET3
RELAY1 RELAY2
iti-200S
Magnetic Door Position Switch
P/N 14-11313
Contacts should close when door is
closed - Connect to COM and N.O.
terminals on switch.
Activation Push Plate
Normally Open - Dry Contacts
N.O
COM
87654321
Acugard 3 LE on Non-swing side of door
P/N 21-10158-35
NOTES:
1. Sensor only active after push
plate is actuated. It will stay
active until the door shuts and
door position switch closes.
Multi-Module will reset after 2
minutes if the door does not
open for any reason.
2. A black circle indicates a
wire connection.
3. Power supply inputs not
polarity sensitive.
These Potentiometers have no effect