EasyManua.ls Logo

Nabco GYRO TECH Nabco Multi-Module - Mode 1 - Electric Strike Sequence Diagram - Magnum 4 Control

Nabco GYRO TECH Nabco Multi-Module
21 pages
Print Icon
To Next Page IconTo Next Page
To Next Page IconTo Next Page
To Previous Page IconTo Previous Page
To Previous Page IconTo Previous Page
Loading...
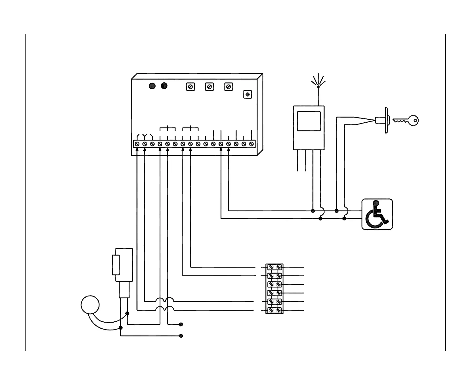
Page 7 www.NabcoEntrances.com 5-7-10
Nabco Multi-Module
MODE 1 - ELECTRIC STRIKE SEQUENCER DIAGRAM - MAGNUM 4 CONTROL
DN 0302
SW 1
MODE
SWITCH
RELAY 2
ON TIME
DOO
(DELAY
ON
OPERATE)
RELAY 2
RELAY 1
ON TIME
Terminal Strip on Magnum Control
BROWN
BLACK
RED
WHITE
VIOLET
ORANGE
1
2
3
4
5
6
RL1 RL2
LEDLED
24V 12V
N.O. COM N.C. N.C.COMN.O. WET1
WET
COM COM
DRY
DRY1 DRY2
WET2 WET3
RELAY1 RELAY2
RADIO
RECEIVER
4-TERM
Power
COM
N.O.
STRIKE
ELECTRIC
TVS
Connect Transient
(supplied)
directly to strike.
Voltage Suppressor
Not polarity sensitive.
iti-200S
If magnetic
lock or fail safe
strike used,
connect lock
wires to COM
and N.C.
terminals of
Multi-Module
Note:
1. A black circle indicates
a wire connection.
2. Power supply inputs not
polarity sensitive.
3. Multi-Module must be
set to Mode 1
STRIKE POWER
(To match strike
voltage)
Power
(IF USED)
Normally Open - Dry Contacts
INTERIOR PUSH SWITCH
EXTERIOR KEY SWITCH
Normally Open - Dry Contacts
MULTI MODULE
PN 14-12240