EasyManua.ls Logo

NAD c390dd - Page 80

NAD c390dd
88 pages
Print Icon
To Next Page IconTo Next Page
To Next Page IconTo Next Page
To Previous Page IconTo Previous Page
To Previous Page IconTo Previous Page
Loading...
MCLKO2
40
MCLKO1
39
P3.0
13
P3.1
14
P 3 .2/XINT
15
P3.3
17
P3.4
18
P3.5
19
NC
20
NC
22
P1.0
23
P1.1
24
P1.2
25
P1.3
26
P1.4
27
P1.5
29
P1.6
30
P1.7
31
CSCHN E
32
CRESET
34
CSYNC
35
CD AT I
36
CSCLK
37
CD AT O
38
PL L FI L O
1
AVDD
2
AVSS
45
SCL
44
SD A
43
PU R
5
DP
6
DM
7
MRESET
9
TEST
10
EXTEN
11
RSTO
12
RESET
41
VREN
42
PLLFILI
48
XTALI
47
XTAL0
46
MCLKI
3
DVDD
33
DVDD
21
DVDD
8
DVSS
4
DVSS
28
DVSS
16
U7012
TAS1020APFB
XC7002
6M
C7065
27P
C7066
27P
C7067
100P
C7070
1N
R7035
3k09
R7039
2R7
C7073
22U/6V3
C7074
100N
L7005
FB
R7044
33R
R7045
33R
U SB_DP
U SB_DM
C7084
33P
C7076
33P
L7007
FB
R7043
1K50
R7042
1R0
DGND
R7036
2K2
R7037
2K2
A0
1
A1
2
A2
3
Vss
4
SD A
5
SCL
6
WP
7
Vdd
8
U7009
24LC64
DGND
C7068
100 N
SCL
SD A
DGND
USB S _RS T
R7040B
82R
R7040A
82R
R7040D
82R
R7040C
82R
V CC3V3
V CC3V3
L7008
FB
C7082
22U/6V3
C7081
100N
C7080
100N
C7079
100N
24
25
26
27
28
29
30
31
32
33
34
35
37
38
39
40
41
42
43
44
45
46
1
2
3
4
5
6
7
8
9
10
11
12
13
14
15
16
17
18
19
20
21
22
23
36
CON7000
W2M -046P
12V5a
12V5a
DGND
DGND
USBD+0
USBD-0
PCL K 0
PM O SI 0
PM I SO 0
PS0a
IISCLK0a
IISDO0a
AUMUT0
IISFS0a
MCLK0 a
DETS0
PST B0
C 7078
100N
DGND
U S B H _FS
USB H_BCK
U S B H _SD0
USB _SEL0
USB _SEL1
1G
1
A1
2
1Y1
18
A2
4
1Y2
16
A3
6
1Y3
14
A4
8
1Y4
12
VC C
20
GND
10
2G
19
B1
11
2Y1
9
B2
13
2Y2
7
B3
15
2Y3
5
B4
17
2Y4
3
U7010
74LCX244
DGND
3V3C
C7071
100n
DGND
R7038D
82R
R7038A
82R
R7038C
82R
R7038B
82R
R7041B
82R
R7041C
82R
R7041D
82R
R7041A
82R
U S B S_SD0
USB S _BC K
U S B S_FS
V CC3V3
L7006
FB
C7072
22U/6V3
3V3C
DGND
3V3C
R7034
NC
R7033
NC
a1
1
gnd
2
a2
3
y2
4
vcc
5
y1
6
U7008
NC7WZ14(NC)
dgnd
C7069
100N(NC)
dgnd
3V3C
MCLKI
1G
1
A1
2
1Y1
18
A2
4
1Y2
16
A3
6
1Y3
14
A4
8
1Y4
12
VC C
20
GND
10
2G
19
B1
11
2Y1
9
B2
13
2Y2
7
B3
15
2Y3
5
B4
17
2Y4
3
U7011
74LCX244
DGND
C7077
100n
DGND
R7046B
120R
R7046C
120R
R7046D
120R
R7046A
120R
SPI 2_MI SO
SPI 2_MO SI
SPI2_SCK
S PI2_CS0
V CC3V3
U SBF_D-
U SBF_D+
R7048
36K
DGND
C7090
1N
DGND
C7092
1N
C7089
22U/6. 3V
TR
1
GND
2
OUT
3
VDD
4
U7014
24.576M
DGND
C7091
22U/6. 3V
TR
1
GND
2
OUT
3
VDD
4
U7015
22.5792
DGND
DGND
R7065
10R
R7068
33R
R7067
10R
VIN
1
GND
2
EN
3
VO
5
NC
4
U7016
ADP150A UJZ-3.3-R7
DGND
VCC5V
L7010
FB
C7086
10U/10V
DGND
C7088
100N
C7087
22U/6V3
C7085
100N
DGND DGND
R7066
33R
PB22
PB1
PB2
PB3
PB4
PB5
PB6
PB7
PB8
PB9
PA 0
PA 1
SCL
SD A
VBUS1
1
GND1
2
VDD1
3
PD E N
4
SPU
5
UD-
6
UD+
7
GND1
8
GND2
9
DD+
10
DD-
11
PIN
12
SPD
13
VDD2
14
GND2
15
VBUS2
16
U7013
ADUM4160
R7062
33R
R7063
33R
C7075
100N
C7083
22U/6V3
C7093
22U/6V3
V CC3V3
DGND
V CC3V3
C7094
100N
V CC3V3
DGND DGND
DGND
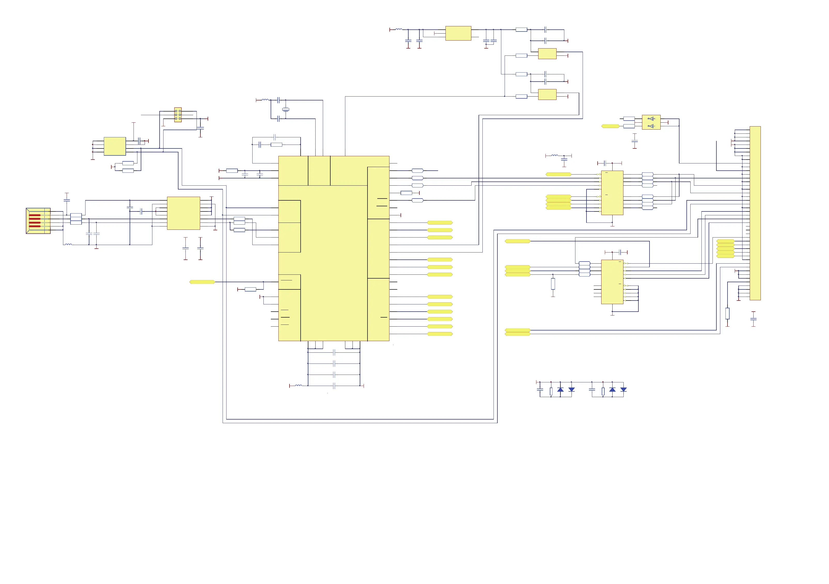
VC 2 CHANG E (20110301)
1. change R7003 to 1.96K
2. change R7034 U7008 to N C,add xc7000 11.2896M,C7021 C7022 22p 0603
3. change U7001 to LP 38500-3V3
4. change U7004 to M25P64,add R7102 100K 0603
5. Add U7018 29LV 160BE-90, R7101 C7095 C7096 C7097 L7011 L7012
DGND
6. Add R7102 R7103 4.7K 0603 C7120 100N 0603 J1005 3X2PIN 2.54
R7102
4K7
1 2
3 4
5 6
7000
CD075014 2X3
C7120
100
V CC3V3
USB S _RS T
DGND
7.chang e R7036 R7037 to 2K2
R7163
NC
DGND
GPIO1
GPIO2
GPIO3
GPIO4
GPIO5
V CC3V3
V CC3V3
1
2
3
4
5
6
J7003
USB TY PE B
USB S _RS T
dgnd
dgnd
dgnd
V CC3V3
R7119
10k
V CC3V3
C7122
22N
R7120
100R
D7007
1SS 352
D7006
1SS 352
C7130
22N
R7129
100R
D7009
1SS 352
D7008
1SS 352
DGND
DGND
UGND
C7300
220P
UGND
USB Board-2

Related product manuals