EasyManua.ls Logo

NAD c390dd - Page 82

NAD c390dd
88 pages
Print Icon
To Next Page IconTo Next Page
To Next Page IconTo Next Page
To Previous Page IconTo Previous Page
To Previous Page IconTo Previous Page
Loading...
C100
SG 64
2
1
3
4
R101
TS25P05 G / 25A
A C 90V/230v±10%
XM101
HOLE
XM102
HOLE
XM103
HOLE
XM104
HOLE
MAIN IN
XM105
HOLE
XM100
HOLE
ZV100
14D471K
CX102
1UF/275VAC
CX101
470nF/275VA C
CX100
330nF/275VA C
R120
330k
R121
330k
R122
330k
CY101
1nF/AC250V
CY100
1nF/AC250V
1 2
4 3
101
4mH/9A
1 2
4 3
100
1.9mH/9A
1
101
AC-N
1
100
AC-L
GNDS
C122
330PF/200V
R147
220R/1206
C123
330PF/200V
R148
220R/1206
GNDS
GNDS
C126
80V/2200UF
C127
80V/2200UF
C130
10nF /200V
C131
10nF /200V
C125
100nF/200V
C124
100nF/200V
C120
0.068uF
C121
0.068uF
CY102
2.2nF/2KV
GNDP GNDS
GNDS
101
L-CS
+70V
-70V
GNDS
R14
10K/1W
R150
10K/1W
D11 2
MUR1620CT
D11 4
MUR1620CT
D11 3
MUR1620CT
D11 5
MUR1620CT
C128
80V/2200UF
C12
80V/2200UF
D118
LL4148
D116
LL4148
D11
LL4148
D117
LL4148
C144
100nF/50V
R164
10R
R146
20R
R163
10R
GNDP
CS
R161
10K
R162
4.7K
SS
C143
100P
R160
220R
B
CE
10
BC846BW
L103
10UH
104
FQP18N50V2
103
BC 807-16
D107
BAS321
D105
IN5406RL
D106
30ETH0 6PBF
C13
10UF/ 16V
C138
10UF/ 16V
C137
1UF/25V
C113
33PF/1KV
C108
10nF/1K V
C106
10nF/1K V
C107
10nF/1K V
C10
10nF/1K V
C111
10nF/1K V
C110
10nF/1K V
R137
2R2
C115
1uF/400VDC
R131
240 K
R130
270 K
R132
240 K
R138
39K
R153
18K
R151
100R
R152
82K
R155
7.5K
R12
270 K
R154
18K
R142
22R
R134
240 K
R135
240 K
R136
240 K
R133
240 K
CO M
1
FRE Q
2
OVP
4
ISNS
3
GATE
8
VCC
7
VFB
6
CO MP
5
IC100
IR1150
SS
1
RT D
2
CT
4
CS
3
VDD
8
OUTB
7
OUTA
6
GND
5
IC101
ISL6744ABZ
C134
1n5/50V
C136
1UF/25V
C132
1n/50V
C142
200P
C141
180P
VDD
VPFC
VPFC
R157
0R33
R158
0R33
R13
33R
102
540UH
GNDP
GNDP
R125
6.2K
R124
6.2K
GNDP
GNDP
C114
33PF/1KV
R127
6.2K
R126
6.2K
VPFC
GNDP
R15
68K
R144
470R
CS
VDD
105
FQP18N50V2
108
BC 807-25
D10
BAS321
R141
33R
D111
BAS321
106
FQP18N50V2
107
BC 807-25
D108
BAS321
R140
33R
D110
BAS321
GNDP
C11
220nf
C133
330n
R143
22R
SS
C118
450V/220UF
R145
10R
C140
100P
4
1
2
5
3
6
100
EE10
R156
0R33
1
2
CON100
1
2
CON102
C135
200pf/50V
24mA
24mA
C116
1uF/400VDC
C117
1uF/400VDC
K10 0
Rela y-SP ST
OP101
PC817
C102
10N
R100
220
R102
220
C100
100P
R105
2K
OP100
PC817
R104
680R
5VD S
DGND
DGND
Q10 0
2SC2878
R107
330R
OP103
PC817
R123
100K/2W
C112
10UF/ 50V
DGND
2
1
3
4
BR100
B6S
DW102
12V
Q10 2
BC846BW
R110
1K/2W
R112
10R/10W
+70V
R113
10R/10W
1
2
3
4
5
6
J101
To AMP
OP104
PC817
R128
10K
R111
150R 1W
R108
470R 1206
C104
105/63V
R109
51K
AK
G
TSG100
2N5064
AK
G
TSG101
2N6402
SRQ100
SRQ 2
SRQ101
SRQ 2
+70V
-70V
GNDS
R116
1K/2W
R118
10R/10W
-70V
R119
10R/10W
R117
150R 1W
R114
470R 1206
C105
105/63V
R115
51K 1206
AK
G
TSG102
2N5064
AK
G
TSG103
2N6402
OP102
PC817
GNDS
GNDS
5VD S
K10 1
Rela y-SP ST
C103
10N
R101
220
R103
220
C101
100P
Q10 1
2SC2878
DGND
DGND
5VD S
0
1
S100
BPSU70
0
1
S101
D10 1
Co mmen t : 1N4148
D10 0
Co mmen t : 1N4148
D10 2
Co mmen t : 1N4007
D10 3
Co mmen t : 1N4007
DW100
7.5V
ACDETA
DW101
7.5V
PSU FA
D10 4
Co mmen t : 1N4007
GNDP
1
2
J103
To PFC/LLC VCC
GNDS
2
5
12
11
4
14
13
8
1
6
3
9
10
T102
ER- 42V
DGND
1
2
3
J100
CO N3
1
2
NTC
GNDP
R106
10R
5VDS
1
2
3
4
5
J102
CO N5
LN
C145
450V/220UF
R165
10R
GNDS
C146
10nF /50V
R166
10R
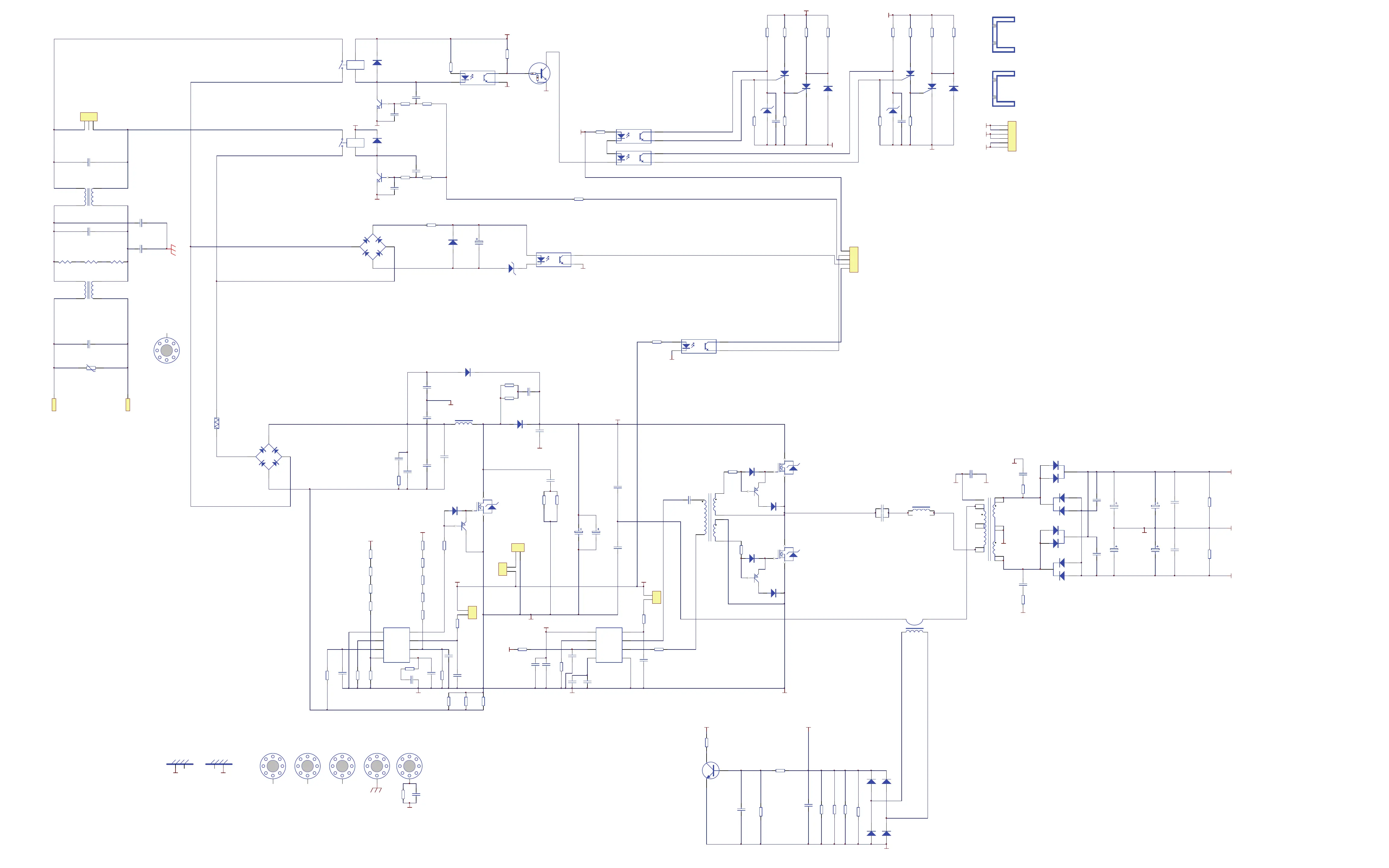
PSU-A Board

Related product manuals